应用案例
您当前的位置:产品应用
卧式全自动平压平模切压痕机及其模切方法
卧式全自动平压平模切压痕机及其模切方法
摘要:
本发明公开了一种新型卧式全自动平压平模切压痕机及其模切方法,包括机架以及安装在机架上的输纸机构和模切机构,机架上还设有主动力机构和模切传动机构,主动力机构与模切传动机构相连;输纸机构,包括伺服电机、伺服控制器、第一同步带轮、第二同步带轮、第三同步带轮、第四同步带轮、第一同步带、第二同步带、多个叼纸牙,伺服控制器与伺服电机相连,第三同步带轮与伺服电机的传动轴相连,第三同步带轮和第四同步带轮之间套装第二同步带,第一同步带轮与第四同步带轮相连,第一同步带轮和第二同步带轮之间套装第一同步带,叼纸牙间隔设置在第一同步带上。由此,叼纸牙永远不会和模切平台发生干涉碰撞,工作效率高,结构简单。
主权项:
新型卧式全自动平压平模切压痕机,其特征在于,包括机架(15)以及安装在机架(15)上的输纸机构和模切机构,所述机架(15)上还设有主动力机构和模切传动机构,所述主动力机构与模切传动机构相连;所述模切机构包括动平台(8)和固定平台(9),所述动平台(8)与模切传动机构相连,所述固定平台(9)固定在机架(15)上;所述输纸机构包括叼纸牙传动组件、叼纸牙开闭控制单元,所述叼纸牙传动组件包括伺服电机(1)、伺服控制器、第一同步带轮(2)、第二同步带轮(3)、第三同步带轮(16)、第四同步带轮(17)、第一同步带(4)、第二同步带(18)、多个叼纸牙(5),所述伺服控制器与伺服电机(1)相连,所述第三同步带轮(16)与所述伺服电机(1)的传动轴相连,所述第三同步带轮(16)和第四同步带轮(17)之间套装第二同步带(18),所述第一同步带轮(2)与第四同步带轮(17)相连,所述第一同步带轮(2)和第二同步带轮(3)之间套装第一同步带(4),所述叼纸牙(5)间隔设置在第一同步带(4)上,所述叼纸牙(5)位于模切机的模切工作面的外侧,所述叼纸牙(5)与所述叼纸牙开闭控制单元相连,所述叼纸牙开闭控制单元与伺服控制器相配合。
要求:
1.新型卧式全自动平压平模切压痕机,其特征在于,包括机架(15)以及安装在机架(15)上的输纸机构和模切机构,所述机架(15)上还设有主动力机构和模切传动机构,所述主动力机构与模切传动机构相连;
所述模切机构包括动平台(8)和固定平台(9),所述动平台(8)与模切传动机构相连,所述固定平台(9)固定在机架(15)上;
所述输纸机构包括叼纸牙传动组件、叼纸牙开闭控制单元,所述叼纸牙传动组件包括伺服电机(1)、伺服控制器、第一同步带轮(2)、第二同步带轮(3)、第三同步带轮(16)、第四同步带轮(17)、第一同步带(4)、第二同步带(18)、多个叼纸牙(5),所述伺服控制器与伺服电机(1)相连,所述第三同步带轮(16)与所述伺服电机(1)的传动轴相连,所述第三同步带轮(16)和第四同步带轮(17)之间套装第二同步带(18),所述第一同步带轮(2)与第四同步带轮(17)相连,所述第一同步带轮(2)和第二同步带轮(3)之间套装第一同步带(4),所述叼纸牙(5)间隔设置在第一同步带(4)上,所述叼纸牙(5)位于模切机的模切工作面的外侧,所述叼纸牙(5)与所述叼纸牙开闭控制单元相连,所述叼纸牙开闭控制单元与伺服控制器相配合。
2.根据权利要求1所述的新型卧式全自动平压平模切压痕机,其特征在于,所述动平台(8)位于固定平台(9)的上方位置,所述动平台(8)底面设有模切刀版(6)。
3.根据权利要求1所述的新型卧式全自动平压平模切压痕机,其特征在于,所述叼纸牙(5)包括活动牙片(502)、固定牙片(501),所述固定牙片(501)与活动牙片(502)通过转轴(503)连接,所述活动牙片(502)一端设有压纸凸台(5021),所述固定牙片(501)与压纸凸台(5021)相对的一端设有卡纸梯台(5011),所述卡纸梯台(5011)与压纸凸台(5021)相配合,所述活动牙片(502)另一端设有滚轮(504)。
4.根据权利要求3所述的新型卧式全自动平压平模切压痕机,其特征在于,所述叼纸牙开闭控制单元包括开闭牙凸轮(10),所述开闭牙凸轮(10)与所述滚轮(504)相抵接。
5.根据权利要求2所述的新型卧式全自动平压平模切压痕机,其特征在于,所述模切传动机构包括偏心轴(11)和连杆(12),所述偏心轴(11)和主动力机构相连,所述连杆(12)一端与偏心轴(11)相连,所述连杆(12)另一端与第一平台(8)相连。
6.根据权利要求5所述的新型卧式全自动平压平模切压痕机,其特征在于,所述主动力机构包括主电机(13)和飞轮(14),主电机(13)和飞轮(14)相连,所述飞轮(14)和所述偏心轴(11)相连。
7.根据权利要求2所述的新型卧式全自动平压平模切压痕机,其特征在于,所述模切刀版(6)的底面设有模切刀(601)和弹性垫片(602),弹性垫片(602)置于模切刀(601)的侧边,弹性垫片(602)处于自然状态时,模切刀(601)突出模切刀版(6)的高度低于弹性垫片(602)突出模切刀版(6)的高度;弹性垫片(602)处于压缩状态时,模切刀(601)突出模切刀版(6)的高度高于弹性垫片(602)突出模切刀版(6)的高度。
8.应用权利要求1~7任一项所述的新型卧式全自动平压平模切压痕机的模切方法,其特征在于,包括以下步骤:
S1:主动力机构带动模切传动机构,模切传动机构带动模切动平台(8)运动;
S2:输纸机构配合模切机构进行输纸模切;
S3:模切工艺完成后,输纸机构将模切后的纸张带走,进入下一个工序。
9.根据权利要求8所述的模切方法,其特征在于,
所述步骤S2包括:
S21:设定控制伺服电机(1)的相关参数,控制伺服电机(1)的转速和停顿;
S22:设定叼纸牙开闭控制单元相关参数,叼纸牙开闭控制单元与伺服电机(1)相配合;
S23:启动模切机输纸传动机构,通过伺服电机(1)、第二同步带(18)、第三同步带轮(16)和第四同步带轮(17)带动第一同步带(4)、第一同步带轮(2)和第二同步带轮(3),从而带动第一同步带(4)上的叼纸牙(5)传动;
S24:叼纸牙开闭控制单元按照事先设定的参数控制叼纸牙(5)张开和闭合,完成输纸传动功能。
卧式全自动平压平模切压痕机及其模切方法
技术领域
本发明涉及模切设备技术领域,特别涉及卧式全自动平压平模切压痕机及其模切方法。
背景技术
模切机是利用钢刀、钢线(或钢板雕刻成的模版)将印品或纸板轧切成型的重要设备之一。现有自动模切机中,装有模切刀版的上平台固定,通过曲轴旋转带动左右对称的连杆以及上摆杆、下摆杆带动动平台上下运动形成模切冲压动作;通过间歇机构带动主链轮、链条以及固定在链条上的叼纸牙排实现活件(如纸张)的传输,模切时纸张停歇,模切完成后叼纸牙排将纸张带走。这种自动模切机的好处是全部通过机械机构实现模切功能,曲柄连杆机构能够起到增力作用,但是,叼纸牙排需横穿模切工作 区域,为了保证动平台与叼纸牙排不发生干涉碰撞,动平台的行程往往比较大(一般在60mm以上),同时叼纸牙排的转动惯量也比较大,机器工作速度不容易提高(国内模切机都在7500张/小时以下),另外,在现有技术中,模切机构中,上平台为是固定平台,下平台为动平台,为了避免与叼纸牙排发生撞车,动平台的行程往往在60~70mm甚至更大,纸张在经过下面动平台时悬空很高,动平台本身的运动将空气上下搅动,叼纸牙排及纸张的运动将空气向前带动,这几股气流行程强烈的紊流,造成纸张飘动, 对模切质量造成很大影响。
发明内容
为了解决上述问题,本发明提供一种新型卧式全自动平压平模切压痕机及其模切方法。
根据本发明的一个方面,提供了一种新型卧式全自动平压平模切压痕机,一种新型卧式全自动平压平模切压痕机,包括机架以及安装在机架上的输纸机构和模切机构,机架上还设有主动力机构和模切传动机构,主动力机构与模切传动机构相连;
模切机构包括动平台和固定平台,动平台与模切传动机构相连,固定平台固定在机架上;
输纸机构,包括叼纸牙传动组件、叼纸牙开闭控制单元,叼纸牙传动组件包括伺服电机、伺服控制器、第一同步带轮、第二同步带轮、第三同步带轮、第四同步带轮、第一同步带、第二同步带、多个叼纸牙,伺服控制器与伺服电机相连,第三同步带轮与伺服电机的传动轴相连,第三同步带轮和第四同步带轮之间套装第二同步带,第一同步带轮与第四同步带轮相连,第一同步带轮和第二同步带轮之间套装第一同步带,叼纸牙间隔设置在第一同步带上,叼纸牙位于模切机的模切工作面的外侧,叼纸牙与叼纸牙开闭控制单元相连,叼纸牙开闭控制单元与伺服控制器相配合。
其中,第一同步带轮与第四同步带轮通过传动轴相连或者传动杆相连,第四同步带轮带动第一同步带轮同步运动。
其中,第一同步带轮与第二同步带轮安装在模切机墙板的内侧,第三同步带轮和第四同步带轮安装在模切机墙板的外侧。
其有益效果是,根据实际生产需要,设定好控制伺服电机相关参数,通过控制伺服电机的转速来控制第三同步带轮、第四同步带轮和第二同步带的速度以及停顿,第四同步带轮带动第一同步带轮同步运动,从而控制第一同步带轮、第二同步带轮和第一同步带的速度及停顿,然后通过叼纸牙开闭控制单元配合控制叼纸牙的张开和闭合,实现叼纸牙传动组件传输纸张的功能,省却了现有技术中的间歇机构装置;另外,在现有技术当中,叼纸牙都是安装在叼纸牙排上或者安装在长叼纸杆上,然后将叼纸牙排安装在两条传送链条上进行纸张的传输,传输的过程中,叼纸牙排需横穿模切工作区域,为了避免叼纸牙排与模切平台发生碰撞,动平台行程设计得较大,且需设计为了避免叼纸牙排与模切平台发生碰撞的扭力限制器装置,这样整个叼纸机构就会比较繁重,运行速度慢、噪声大,而本发明中,每个叼纸牙单独的固定在第一同步带上,这样可以简化叼纸传动组件,减轻叼纸机传动组件的质量,降低噪声提高模切机运行速度,并且所有叼纸牙位于模切机的模切工作面的外侧,叼纸牙与模切机的模切工作面之间有1~2mm的距离,在进行模切工艺时,主动力机构带动模切传动机构,模切传动机构带动动平台运动,纸张进入模切工作面,叼纸牙夹紧纸张的侧边和松开纸张侧边即可完成纸张的传输,叼纸牙不需要横穿模切机的模切平台,如此,叼纸牙永远都不会和模切机的模切平台发生干涉碰撞,提高了模切机使用安全性能,省却了现有技术中为预防叼纸牙与模切机动平台撞车设计的扭力限制器装置;本发明中,叼纸牙和模切平台永远不会发生干涉碰撞,叼纸牙传动组件零部件数量少,简化了机构,提高了机器运行速度,机器可以运行10000张/小时以上,并且提高了产品加工质量,节约了设备运行成本,降低了设备重量。
在一些实施方式中,动平台位于固定平台的上方位置,动平台底面设有模切刀版。
其有益效果是,在现有技术中,运动平台位于不动平台的下方位置,为了避免与叼纸牙排发生碰撞,运动平台的行程往往在60~70mm甚至更大,纸张在经过下面运动平台时悬空很高,运动平台本身的运动将空气上下搅动,叼纸牙排及纸张的运动将空气向前带动,这几股气流行程强烈的紊流,造成纸张飘动,对模切质量造成很大影响,在本发明中,动平台位于固定平台的上方位置,纸张在运动过程中紧贴着固定平台,与固定平台之间的空间距离很小,气体紊流就比较小,纸张运动比较平稳,模切质量得到较大的提高。
在一些实施方式中,叼纸牙包括活动牙片、固定牙片,固定牙片与活动牙片通过转轴连接,活动牙片一端设有压纸凸台,固定牙片与压纸凸台相对的一端设有卡纸梯台,卡纸梯台与压纸凸台相配合,活动牙片另一端设有滚轮。
其有益效果是,活动牙片一端设有滚轮,滚轮的设置方便叼纸牙开闭控制单元通过滚轮来控制活动牙片的张开和闭合,固定牙片与活动牙片采用转轴连接,在活动牙片张开闭合的过程中,通过转轴转动来配合实现活动牙片的张开和关闭,转轴既能承受弯矩又能承受扭矩,转轴配合滚轮能够使活动牙片非常灵活的实现张开和关闭的动作,压纸凸台和卡纸梯台的设置,有利于固定牙片和活动牙片完成可靠的叼纸动作,减少在叼纸过程中发生纸张脱落现象,通过设置转轴、滚轮、压纸凸台和卡纸梯台,能够快速简单的完成可靠的纸张传输功能,结构简单又能保证纸张不易发生脱落。
在一些实施方式中,叼纸牙开闭控制单元包括开闭牙凸轮,开闭牙凸轮与滚轮相抵接。
其有益效果是,开闭牙凸轮连接动力源,由动力源带动开闭牙凸轮运动,可以采用电机作为动力源,利用电机的动力轴带动开闭牙凸轮,然后通过开闭牙凸轮将运动传递给滚轮,通过开闭牙凸轮与滚轮配合动作来控制叼纸牙的开闭,只需设计适当的凸轮轮廓,根据使用要求设计使凸轮获得一定规律的运动,便可使滚轮得到任意的预期运动,而且结构简单、紧凑、设计方便。
在一些实施方式中,模切传动机构包括偏心轴和连杆,偏心轴和主动力机构相连,连杆一端与偏心轴相连,连杆另一端与第一平台相连。
其有益效果是,采用偏心轴、连杆作为模切传动机构相比采用曲轴、连杆作为模切传动机构,偏心轴、连杆运动行程比采用曲轴、连杆运动行程要小,偏心轴偏心量比曲轴偏心量小,偏心轴产生的力要大一些,而在本发明中,动平台的行程相比现有技术中动平台的行程已经大大的减小,采用偏心轴、连杆作为模切传动机构更适合本发明的实际需求。
在一些实施方式中,主动力机构包括主电机和飞轮,主电机和飞轮相连,飞轮和所述偏心轴相连。
其有益效果是,飞轮是转动惯量很大的盘形零件,如同一个能量存储器,飞轮与主电机相连,在主电机启动时,转速增大,飞轮的动能增加,把能量储存起来,在主电机关闭时,转速减小,飞轮的动能较小,把能量释放出来,飞轮可以减小机械运转过程的速度波动,主电机通过飞轮将运动传递给偏心轴,再通过偏心轴带动连杆,连杆带动第一平台运动进行模切工艺,能够使得整个模切工艺更加的平稳,飞轮起到一个缓冲的作用,另外,在紧急情况下,飞轮还可用作动力源。
在一些实施方式中,模切刀版的底面设有模切刀和弹性垫片,弹性垫片置于模切刀的侧边,弹性垫片处于自然状态时,模切刀突出模切刀版的高度低于弹性垫片突出模切刀版的高度;弹性垫片处于压缩状态时,模切刀突出模切刀版的高度高于弹性垫片突出模切刀版的高度。
其有益效果是,弹性垫片的设置,能够确保在模切工艺完成后,纸张能够快速地从模切刀上脱落下来,从而保证模切工作能够高效、有序地进行。
根据本发明的另一个方面,提供了一种模切方法,包括以下步骤:
S1:主动力机构带动模切传动机构,模切传动机构带动模切动平台运动;
S2:输纸机构配合模切机构进行输纸模切;
S3:模切工艺完成后,输纸机构将模切后的纸张带走,进入下一个工序。
在一些实施方式中,步骤S2包括:
S21:设定控制伺服电机的相关参数,控制伺服电机的转速和停顿;
S22:设定叼纸牙开闭控制单元相关参数,叼纸牙开闭控制单元与伺服电机相配合;
S23:启动模切机输纸传动机构,通过伺服电机、第二同步带、第三同步带轮和第四同步带轮带动第一同步带、第一同步带轮和第二同步带轮,从而带动第一同步带上的叼纸牙传动;
S24:叼纸牙开闭控制单元按照事先设定的参数控制叼纸牙张开和闭合,完成输纸传动功能。
其有益效果是,本发明中的模切方法突破了传统的模切方法,通过主动力机构、模切传动机构,输纸机构可以很简便快速的完成纸张的模切,叼纸牙不需要横穿模切平台,省却了传统模切方法中对扭力限制器调节,且利用伺服电机和叼纸牙开闭控制单元来控制输纸机构的速度、停顿以及叼纸牙的张开和闭合,就能够实现纸张的传输,省却了传统模切方法中对间歇机构的控制,本发明中的模切方法,步骤简单,控制精准,能够节约生产成本,提高工作效率。
具体实施方式
下面结合附图对本发明作进一步详细的说明。
图1~图7示意性地显示了根据本发明的一种实施方式的新型卧式全自动平压平模切压痕机。如图所示,提供了一种新型卧式全自动平压平模切压痕机,包括机架15以及安装在机架15上的输纸机构和模切机构,机架15上还设有主动力机构和模切传动机构,主动力机构与模切传动机构相连;
模切机构包括动平台8和固定平台9,动平台8与模切传动机构相连,固定平台9固定在机架15上;
输纸机构,包括叼纸牙传动组件、叼纸牙开闭控制单元,叼纸牙传动组件包括伺服电机1、伺服控制器、第一同步带轮2、第二同步带轮3、第三同步带轮16、第四同步带轮17、第一同步带4、第二同步带18、多个叼纸牙5,伺服控制器与伺服电机1相连,第三同步带轮16与伺服电机1的传动轴相连,第三同步带轮16和第四同步带轮17之间套装第二同步带18,第一同步带轮2与第四同步带轮17相连,第一同步带轮2和第二同步带轮3之间套装第一同步带4,叼纸牙5间隔设置在第一同步带4上,叼纸牙5位于模切机的模切工作面的外侧,叼纸牙5与叼纸牙开闭控制单元相连,叼纸牙开闭控制单元与伺服控制器相配合。
其中,第一同步带轮2与第四同步带轮17通过传动轴相连或者传动杆相连,第四同步带轮17带动第一同步带轮2同步运动。
在本实施例中,第一同步带轮2与第二同步带轮3安装在模切机墙板的内侧,第三同步带轮16和第四同步带轮17安装在模切机墙板的外侧。
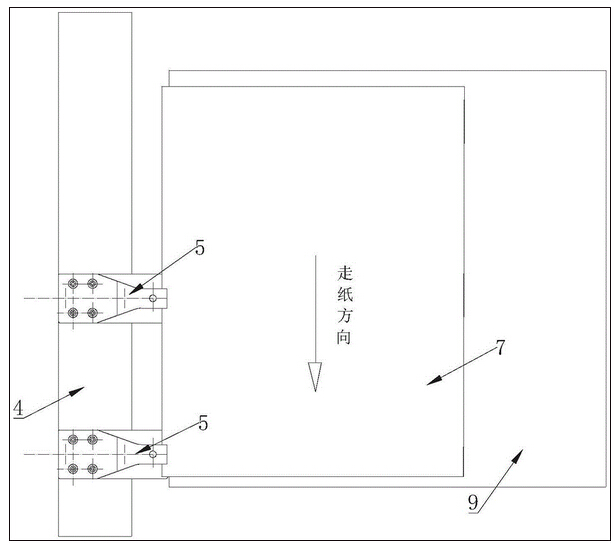
其有益效果是,根据实际生产需要,设定好控制伺服电机1相关参数,通过控制伺服电机1的转速来控制第三同步带轮16、第四同步带轮17和第二同步带18的速度以及停顿,第四同步带轮17带动第一同步带轮2同步运动,从而控制第一同步带轮2、第二同步带轮3和第一同步带4的速度及停顿,然后通过叼纸牙开闭控制单元配合控制叼纸牙5的张开和闭合,实现叼纸牙传动组件传输纸张7的功能,省却了现有技术中的间歇机构装置;另外,在现有技术当中,叼纸牙5都是安装在叼纸牙排上或者安装在长叼 纸杆上,然后将叼纸牙排安装在两条传送链条上进行纸张的传输,传输的过程中,叼纸牙排需横穿模切工作区域,为了避免叼纸牙排与模切平台发生碰撞,动平台行程设计得较大,且需设计为了避免叼纸牙排与模切平台发生碰撞的扭力限制器装置,这样整个叼纸机构就会比较繁重,运行速度慢、噪声大,而本发明中,每个叼纸牙5单独的固定在第一同步带4上,这样可以简化叼纸传动组件,减轻叼纸机传动组件的质量,降低噪声提高模切机运行速度,并且所有叼纸牙5位于模切机的模切工作面的外侧,叼 纸牙5与模切机的模切工作面之间有1~2mm的距离,在进行模切工艺时,主动力机构带动模切传动机构,模切传动机构带动动平台8运动,纸张7进入模切工作面,叼纸牙5夹紧纸张7的侧边和松开纸张7侧边即可完成纸张7的传输,叼纸牙5不需要横穿模切机的模切平台,如此,叼纸牙5永远都不会和模切机的模切平台发生干涉碰撞,提高了模切机使用安全性能,省却了现有技术中为预防叼纸牙5与模切机动平台8撞车设计的扭力限制器装置;本发明中,叼纸牙5和模切平台永远不会发生干涉碰撞,叼纸牙传动组件零部件数量少,简化了机构,提高了机器运行速度,机器可以运行10000张/小时以上,并且提高了产品加工质量,节约了设备运行成本,降低了设备重量。
动平台8位于固定平台9的上方位置,动平台8底面设有模切刀版6。
其有益效果是,在现有技术中,运动平台位于不动平台的下方位置,为了避免与叼纸牙排发生碰撞,运动平台的行程往往在60~70mm甚至更大,纸张7在经过下面运动平台时悬空很高,运动平台本身的运动将空气上下搅动,叼纸牙排及纸张7的运动将空气向前带动,这几股气流行程强烈的紊流,造成纸张7飘动,对模切质量造成很大影响,在本发明中,动平台8位于固定平台9的上方位置,纸张7在运动过程中紧贴着固定平台9,与固定平台9之间的空间距离很小,气体紊流就比较小,纸张7运动比较平稳,模切质量得到较大的提高。
当然,动平台8也可以位于固定平台9的下方位置,在本实施例中,优选动平台8位于固定平台9的上方位置。
叼纸牙5包括活动牙片502、固定牙片501,固定牙片501与活动牙片502通过转轴503连接,活动牙片502一端设有压纸凸台5021,固定牙片501与压纸凸台5021相对的一端设有卡纸梯台5011,卡纸梯台5011与压纸凸台5021相配合,活动牙片502另一端设有滚轮504。
其有益效果是,活动牙片502一端设有滚轮504,滚轮504的设置方便叼纸牙开闭控制单元通过滚轮504来控制活动牙片502的张开和闭合,固定牙片501与活动牙片502采用转轴503连接,在活动牙片502张开闭合的过程中,通过转轴503转动来配合实现活动牙片502的张开和关闭,转轴503既能承受弯矩又能承受扭矩,转轴503配合滚轮504能够使活动牙片502非常灵活的实现张开和关闭的动作,压纸凸台5021和卡纸梯台5011的设置,有利于固定牙片501和活动牙片502完成可靠的叼纸动作,减少在叼纸过程中发生纸张脱落现象,通过设置转轴503、滚轮504、压纸凸台5021和卡纸梯台5011,能够快速简单的完成可靠的纸张传输功能,结构简单又能保证纸张7不易发生脱落。
叼纸牙开闭控制单元包括开闭牙凸轮10,开闭牙凸轮10与滚轮504相抵接。
其有益效果是,开闭牙凸轮10连接动力源,由动力源带动开闭牙凸轮10运动,可以采用电机作为动力源,利用电机的动力轴带动开闭牙凸轮10,然后通过开闭牙凸轮10将运动传递给滚轮504,通过开闭牙凸轮10与滚轮504配合动作来控制叼纸牙的开闭,只需设计适当的凸轮轮廓,根据使用要求设计使凸轮获得一定规律的运动,便可使滚轮504得到任意的预期运动,而且结构简单、紧凑、设计方便。
模切传动机构包括偏心轴11和连杆12,偏心轴11和主动力机构相连,连杆12一端与偏心轴11相连,连杆12另一端与第一平台8相连。
其有益效果是,采用偏心轴11、连杆12作为模切传动机构相比采用曲轴、连杆12作为模切传动机构,偏心轴11、连杆12运动行程比采用曲轴、连杆12运动行程要小,偏心轴11偏心量比曲轴偏心量小,偏心轴11产生的力要大一些,而在本发明中,动平台的行程相比现有技术中动平台的行程已经大大的减小,采用偏心轴11、连杆12作为模切传动机构更适合本发明的实际需求。
当然,模切传动机构也可以采用曲轴、连杆12的方式,在本实施例中,优选偏心轴11、连杆12作为模切传动机构。
主动力机构包括主电机13和飞轮14,主电机13和飞轮14相连,飞轮14和所述偏心轴11相连。
其有益效果是,飞轮14是转动惯量很大的盘形零件,如同一个能量存储器,飞轮14与主电机13相连,在主电机13启动时,转速增大,飞轮14的动能增加,把能量储存起来,在主电机13关闭时,转速减小,飞轮14的动能较小,把能量释放出来,飞轮14可以减小机械运转过程的速度波动,主电机13通过飞轮14将运动传递给偏心轴11,再通过偏心轴11带动连杆12,连杆12带动第一平台8运动进行模切工艺,能够使得整个模切工艺更加的平稳,飞轮14起到一个缓冲的作用,另外,在紧急情况下,飞轮14还可用作动力源。
模切刀版6的底面设有模切刀601和弹性垫片602,弹性垫片602置于模切刀601的侧边,弹性垫片602处于自然状态时,模切刀601突出模切刀版6的高度低于弹性垫片602突出模切刀版6的高度;弹性垫片602处于压缩状态时,模切刀601突出模切刀版6的高度高于弹性垫片602突出模切刀版6的高度。
其有益效果是,弹性垫片602的设置,能够确保在模切工艺完成后,纸张7能够快速地从模切刀601上脱落下来,从而保证模切工作能够高效、有序地进行。
本发明还提供了一种模切方法,包括以下步骤:
S1:主动力机构带动模切传动机构,模切传动机构带动模切动平台8运动;
S2:输纸机构配合模切机构进行输纸模切;
S3:模切工艺完成后,输纸机构将模切后的纸张带走,进入下一个工序;
其中步骤S2包括:
S21:设定控制伺服电机1的相关参数,控制伺服电机1的转速和停顿;
S22:设定叼纸牙开闭控制单元相关参数,叼纸牙开闭控制单元与伺服电机1相配合;
S23:启动模切机输纸传动机构,通过伺服电机1、第二同步带18、第三同步带轮16和第四同步带轮17带动第一同步带4、第一同步带轮2和第二同步带轮3,从而带动第一同步带4上的叼纸牙5传动;
S24:叼纸牙开闭控制单元按照事先设定的参数控制叼纸牙5张开和闭合,完成输纸传动功能。
其有益效果是,本发明中的模切方法突破了传统的模切方法,通过主动力机构、模切传动机构,输纸机构可以很简便快速的完成纸张7的模切,叼纸牙5不需要横穿模切平台,省却了传统模切方法中对扭力限制器调节,且利用伺服电机1和叼纸牙开闭控制单元来控制输纸机构的速度、停顿以及叼纸牙5的张开和闭合,就能够实现纸张7的传输,省却了传统模切方法中对间歇机构的控制,本发明中的模切方法,步骤简单,控制精准,能够节约生产成本,提高工作效率。
以上所述的仅是本发明的一些实施方式。对于本领域的普通技术人员来说,在不脱离本发明创造构思的前提下,还可以做出若干变形和改进,这些都属于本发明的保护范围。
摘要:
本发明公开了一种新型卧式全自动平压平模切压痕机及其模切方法,包括机架以及安装在机架上的输纸机构和模切机构,机架上还设有主动力机构和模切传动机构,主动力机构与模切传动机构相连;输纸机构,包括伺服电机、伺服控制器、第一同步带轮、第二同步带轮、第三同步带轮、第四同步带轮、第一同步带、第二同步带、多个叼纸牙,伺服控制器与伺服电机相连,第三同步带轮与伺服电机的传动轴相连,第三同步带轮和第四同步带轮之间套装第二同步带,第一同步带轮与第四同步带轮相连,第一同步带轮和第二同步带轮之间套装第一同步带,叼纸牙间隔设置在第一同步带上。由此,叼纸牙永远不会和模切平台发生干涉碰撞,工作效率高,结构简单。
主权项:
新型卧式全自动平压平模切压痕机,其特征在于,包括机架(15)以及安装在机架(15)上的输纸机构和模切机构,所述机架(15)上还设有主动力机构和模切传动机构,所述主动力机构与模切传动机构相连;所述模切机构包括动平台(8)和固定平台(9),所述动平台(8)与模切传动机构相连,所述固定平台(9)固定在机架(15)上;所述输纸机构包括叼纸牙传动组件、叼纸牙开闭控制单元,所述叼纸牙传动组件包括伺服电机(1)、伺服控制器、第一同步带轮(2)、第二同步带轮(3)、第三同步带轮(16)、第四同步带轮(17)、第一同步带(4)、第二同步带(18)、多个叼纸牙(5),所述伺服控制器与伺服电机(1)相连,所述第三同步带轮(16)与所述伺服电机(1)的传动轴相连,所述第三同步带轮(16)和第四同步带轮(17)之间套装第二同步带(18),所述第一同步带轮(2)与第四同步带轮(17)相连,所述第一同步带轮(2)和第二同步带轮(3)之间套装第一同步带(4),所述叼纸牙(5)间隔设置在第一同步带(4)上,所述叼纸牙(5)位于模切机的模切工作面的外侧,所述叼纸牙(5)与所述叼纸牙开闭控制单元相连,所述叼纸牙开闭控制单元与伺服控制器相配合。
要求:
1.新型卧式全自动平压平模切压痕机,其特征在于,包括机架(15)以及安装在机架(15)上的输纸机构和模切机构,所述机架(15)上还设有主动力机构和模切传动机构,所述主动力机构与模切传动机构相连;
所述模切机构包括动平台(8)和固定平台(9),所述动平台(8)与模切传动机构相连,所述固定平台(9)固定在机架(15)上;
所述输纸机构包括叼纸牙传动组件、叼纸牙开闭控制单元,所述叼纸牙传动组件包括伺服电机(1)、伺服控制器、第一同步带轮(2)、第二同步带轮(3)、第三同步带轮(16)、第四同步带轮(17)、第一同步带(4)、第二同步带(18)、多个叼纸牙(5),所述伺服控制器与伺服电机(1)相连,所述第三同步带轮(16)与所述伺服电机(1)的传动轴相连,所述第三同步带轮(16)和第四同步带轮(17)之间套装第二同步带(18),所述第一同步带轮(2)与第四同步带轮(17)相连,所述第一同步带轮(2)和第二同步带轮(3)之间套装第一同步带(4),所述叼纸牙(5)间隔设置在第一同步带(4)上,所述叼纸牙(5)位于模切机的模切工作面的外侧,所述叼纸牙(5)与所述叼纸牙开闭控制单元相连,所述叼纸牙开闭控制单元与伺服控制器相配合。
2.根据权利要求1所述的新型卧式全自动平压平模切压痕机,其特征在于,所述动平台(8)位于固定平台(9)的上方位置,所述动平台(8)底面设有模切刀版(6)。
3.根据权利要求1所述的新型卧式全自动平压平模切压痕机,其特征在于,所述叼纸牙(5)包括活动牙片(502)、固定牙片(501),所述固定牙片(501)与活动牙片(502)通过转轴(503)连接,所述活动牙片(502)一端设有压纸凸台(5021),所述固定牙片(501)与压纸凸台(5021)相对的一端设有卡纸梯台(5011),所述卡纸梯台(5011)与压纸凸台(5021)相配合,所述活动牙片(502)另一端设有滚轮(504)。
4.根据权利要求3所述的新型卧式全自动平压平模切压痕机,其特征在于,所述叼纸牙开闭控制单元包括开闭牙凸轮(10),所述开闭牙凸轮(10)与所述滚轮(504)相抵接。
5.根据权利要求2所述的新型卧式全自动平压平模切压痕机,其特征在于,所述模切传动机构包括偏心轴(11)和连杆(12),所述偏心轴(11)和主动力机构相连,所述连杆(12)一端与偏心轴(11)相连,所述连杆(12)另一端与第一平台(8)相连。
6.根据权利要求5所述的新型卧式全自动平压平模切压痕机,其特征在于,所述主动力机构包括主电机(13)和飞轮(14),主电机(13)和飞轮(14)相连,所述飞轮(14)和所述偏心轴(11)相连。
7.根据权利要求2所述的新型卧式全自动平压平模切压痕机,其特征在于,所述模切刀版(6)的底面设有模切刀(601)和弹性垫片(602),弹性垫片(602)置于模切刀(601)的侧边,弹性垫片(602)处于自然状态时,模切刀(601)突出模切刀版(6)的高度低于弹性垫片(602)突出模切刀版(6)的高度;弹性垫片(602)处于压缩状态时,模切刀(601)突出模切刀版(6)的高度高于弹性垫片(602)突出模切刀版(6)的高度。
8.应用权利要求1~7任一项所述的新型卧式全自动平压平模切压痕机的模切方法,其特征在于,包括以下步骤:
S1:主动力机构带动模切传动机构,模切传动机构带动模切动平台(8)运动;
S2:输纸机构配合模切机构进行输纸模切;
S3:模切工艺完成后,输纸机构将模切后的纸张带走,进入下一个工序。
9.根据权利要求8所述的模切方法,其特征在于,
所述步骤S2包括:
S21:设定控制伺服电机(1)的相关参数,控制伺服电机(1)的转速和停顿;
S22:设定叼纸牙开闭控制单元相关参数,叼纸牙开闭控制单元与伺服电机(1)相配合;
S23:启动模切机输纸传动机构,通过伺服电机(1)、第二同步带(18)、第三同步带轮(16)和第四同步带轮(17)带动第一同步带(4)、第一同步带轮(2)和第二同步带轮(3),从而带动第一同步带(4)上的叼纸牙(5)传动;
S24:叼纸牙开闭控制单元按照事先设定的参数控制叼纸牙(5)张开和闭合,完成输纸传动功能。
卧式全自动平压平模切压痕机及其模切方法
技术领域
本发明涉及模切设备技术领域,特别涉及卧式全自动平压平模切压痕机及其模切方法。
背景技术
模切机是利用钢刀、钢线(或钢板雕刻成的模版)将印品或纸板轧切成型的重要设备之一。现有自动模切机中,装有模切刀版的上平台固定,通过曲轴旋转带动左右对称的连杆以及上摆杆、下摆杆带动动平台上下运动形成模切冲压动作;通过间歇机构带动主链轮、链条以及固定在链条上的叼纸牙排实现活件(如纸张)的传输,模切时纸张停歇,模切完成后叼纸牙排将纸张带走。这种自动模切机的好处是全部通过机械机构实现模切功能,曲柄连杆机构能够起到增力作用,但是,叼纸牙排需横穿模切工作 区域,为了保证动平台与叼纸牙排不发生干涉碰撞,动平台的行程往往比较大(一般在60mm以上),同时叼纸牙排的转动惯量也比较大,机器工作速度不容易提高(国内模切机都在7500张/小时以下),另外,在现有技术中,模切机构中,上平台为是固定平台,下平台为动平台,为了避免与叼纸牙排发生撞车,动平台的行程往往在60~70mm甚至更大,纸张在经过下面动平台时悬空很高,动平台本身的运动将空气上下搅动,叼纸牙排及纸张的运动将空气向前带动,这几股气流行程强烈的紊流,造成纸张飘动, 对模切质量造成很大影响。
发明内容
为了解决上述问题,本发明提供一种新型卧式全自动平压平模切压痕机及其模切方法。
根据本发明的一个方面,提供了一种新型卧式全自动平压平模切压痕机,一种新型卧式全自动平压平模切压痕机,包括机架以及安装在机架上的输纸机构和模切机构,机架上还设有主动力机构和模切传动机构,主动力机构与模切传动机构相连;
模切机构包括动平台和固定平台,动平台与模切传动机构相连,固定平台固定在机架上;
输纸机构,包括叼纸牙传动组件、叼纸牙开闭控制单元,叼纸牙传动组件包括伺服电机、伺服控制器、第一同步带轮、第二同步带轮、第三同步带轮、第四同步带轮、第一同步带、第二同步带、多个叼纸牙,伺服控制器与伺服电机相连,第三同步带轮与伺服电机的传动轴相连,第三同步带轮和第四同步带轮之间套装第二同步带,第一同步带轮与第四同步带轮相连,第一同步带轮和第二同步带轮之间套装第一同步带,叼纸牙间隔设置在第一同步带上,叼纸牙位于模切机的模切工作面的外侧,叼纸牙与叼纸牙开闭控制单元相连,叼纸牙开闭控制单元与伺服控制器相配合。
其中,第一同步带轮与第四同步带轮通过传动轴相连或者传动杆相连,第四同步带轮带动第一同步带轮同步运动。
其中,第一同步带轮与第二同步带轮安装在模切机墙板的内侧,第三同步带轮和第四同步带轮安装在模切机墙板的外侧。
其有益效果是,根据实际生产需要,设定好控制伺服电机相关参数,通过控制伺服电机的转速来控制第三同步带轮、第四同步带轮和第二同步带的速度以及停顿,第四同步带轮带动第一同步带轮同步运动,从而控制第一同步带轮、第二同步带轮和第一同步带的速度及停顿,然后通过叼纸牙开闭控制单元配合控制叼纸牙的张开和闭合,实现叼纸牙传动组件传输纸张的功能,省却了现有技术中的间歇机构装置;另外,在现有技术当中,叼纸牙都是安装在叼纸牙排上或者安装在长叼纸杆上,然后将叼纸牙排安装在两条传送链条上进行纸张的传输,传输的过程中,叼纸牙排需横穿模切工作区域,为了避免叼纸牙排与模切平台发生碰撞,动平台行程设计得较大,且需设计为了避免叼纸牙排与模切平台发生碰撞的扭力限制器装置,这样整个叼纸机构就会比较繁重,运行速度慢、噪声大,而本发明中,每个叼纸牙单独的固定在第一同步带上,这样可以简化叼纸传动组件,减轻叼纸机传动组件的质量,降低噪声提高模切机运行速度,并且所有叼纸牙位于模切机的模切工作面的外侧,叼纸牙与模切机的模切工作面之间有1~2mm的距离,在进行模切工艺时,主动力机构带动模切传动机构,模切传动机构带动动平台运动,纸张进入模切工作面,叼纸牙夹紧纸张的侧边和松开纸张侧边即可完成纸张的传输,叼纸牙不需要横穿模切机的模切平台,如此,叼纸牙永远都不会和模切机的模切平台发生干涉碰撞,提高了模切机使用安全性能,省却了现有技术中为预防叼纸牙与模切机动平台撞车设计的扭力限制器装置;本发明中,叼纸牙和模切平台永远不会发生干涉碰撞,叼纸牙传动组件零部件数量少,简化了机构,提高了机器运行速度,机器可以运行10000张/小时以上,并且提高了产品加工质量,节约了设备运行成本,降低了设备重量。
在一些实施方式中,动平台位于固定平台的上方位置,动平台底面设有模切刀版。
其有益效果是,在现有技术中,运动平台位于不动平台的下方位置,为了避免与叼纸牙排发生碰撞,运动平台的行程往往在60~70mm甚至更大,纸张在经过下面运动平台时悬空很高,运动平台本身的运动将空气上下搅动,叼纸牙排及纸张的运动将空气向前带动,这几股气流行程强烈的紊流,造成纸张飘动,对模切质量造成很大影响,在本发明中,动平台位于固定平台的上方位置,纸张在运动过程中紧贴着固定平台,与固定平台之间的空间距离很小,气体紊流就比较小,纸张运动比较平稳,模切质量得到较大的提高。
在一些实施方式中,叼纸牙包括活动牙片、固定牙片,固定牙片与活动牙片通过转轴连接,活动牙片一端设有压纸凸台,固定牙片与压纸凸台相对的一端设有卡纸梯台,卡纸梯台与压纸凸台相配合,活动牙片另一端设有滚轮。
其有益效果是,活动牙片一端设有滚轮,滚轮的设置方便叼纸牙开闭控制单元通过滚轮来控制活动牙片的张开和闭合,固定牙片与活动牙片采用转轴连接,在活动牙片张开闭合的过程中,通过转轴转动来配合实现活动牙片的张开和关闭,转轴既能承受弯矩又能承受扭矩,转轴配合滚轮能够使活动牙片非常灵活的实现张开和关闭的动作,压纸凸台和卡纸梯台的设置,有利于固定牙片和活动牙片完成可靠的叼纸动作,减少在叼纸过程中发生纸张脱落现象,通过设置转轴、滚轮、压纸凸台和卡纸梯台,能够快速简单的完成可靠的纸张传输功能,结构简单又能保证纸张不易发生脱落。
在一些实施方式中,叼纸牙开闭控制单元包括开闭牙凸轮,开闭牙凸轮与滚轮相抵接。
其有益效果是,开闭牙凸轮连接动力源,由动力源带动开闭牙凸轮运动,可以采用电机作为动力源,利用电机的动力轴带动开闭牙凸轮,然后通过开闭牙凸轮将运动传递给滚轮,通过开闭牙凸轮与滚轮配合动作来控制叼纸牙的开闭,只需设计适当的凸轮轮廓,根据使用要求设计使凸轮获得一定规律的运动,便可使滚轮得到任意的预期运动,而且结构简单、紧凑、设计方便。
在一些实施方式中,模切传动机构包括偏心轴和连杆,偏心轴和主动力机构相连,连杆一端与偏心轴相连,连杆另一端与第一平台相连。
其有益效果是,采用偏心轴、连杆作为模切传动机构相比采用曲轴、连杆作为模切传动机构,偏心轴、连杆运动行程比采用曲轴、连杆运动行程要小,偏心轴偏心量比曲轴偏心量小,偏心轴产生的力要大一些,而在本发明中,动平台的行程相比现有技术中动平台的行程已经大大的减小,采用偏心轴、连杆作为模切传动机构更适合本发明的实际需求。
在一些实施方式中,主动力机构包括主电机和飞轮,主电机和飞轮相连,飞轮和所述偏心轴相连。
其有益效果是,飞轮是转动惯量很大的盘形零件,如同一个能量存储器,飞轮与主电机相连,在主电机启动时,转速增大,飞轮的动能增加,把能量储存起来,在主电机关闭时,转速减小,飞轮的动能较小,把能量释放出来,飞轮可以减小机械运转过程的速度波动,主电机通过飞轮将运动传递给偏心轴,再通过偏心轴带动连杆,连杆带动第一平台运动进行模切工艺,能够使得整个模切工艺更加的平稳,飞轮起到一个缓冲的作用,另外,在紧急情况下,飞轮还可用作动力源。
在一些实施方式中,模切刀版的底面设有模切刀和弹性垫片,弹性垫片置于模切刀的侧边,弹性垫片处于自然状态时,模切刀突出模切刀版的高度低于弹性垫片突出模切刀版的高度;弹性垫片处于压缩状态时,模切刀突出模切刀版的高度高于弹性垫片突出模切刀版的高度。
其有益效果是,弹性垫片的设置,能够确保在模切工艺完成后,纸张能够快速地从模切刀上脱落下来,从而保证模切工作能够高效、有序地进行。
根据本发明的另一个方面,提供了一种模切方法,包括以下步骤:
S1:主动力机构带动模切传动机构,模切传动机构带动模切动平台运动;
S2:输纸机构配合模切机构进行输纸模切;
S3:模切工艺完成后,输纸机构将模切后的纸张带走,进入下一个工序。
在一些实施方式中,步骤S2包括:
S21:设定控制伺服电机的相关参数,控制伺服电机的转速和停顿;
S22:设定叼纸牙开闭控制单元相关参数,叼纸牙开闭控制单元与伺服电机相配合;
S23:启动模切机输纸传动机构,通过伺服电机、第二同步带、第三同步带轮和第四同步带轮带动第一同步带、第一同步带轮和第二同步带轮,从而带动第一同步带上的叼纸牙传动;
S24:叼纸牙开闭控制单元按照事先设定的参数控制叼纸牙张开和闭合,完成输纸传动功能。
其有益效果是,本发明中的模切方法突破了传统的模切方法,通过主动力机构、模切传动机构,输纸机构可以很简便快速的完成纸张的模切,叼纸牙不需要横穿模切平台,省却了传统模切方法中对扭力限制器调节,且利用伺服电机和叼纸牙开闭控制单元来控制输纸机构的速度、停顿以及叼纸牙的张开和闭合,就能够实现纸张的传输,省却了传统模切方法中对间歇机构的控制,本发明中的模切方法,步骤简单,控制精准,能够节约生产成本,提高工作效率。
附图说明

图1为本发明一实施方式的新型卧式全自动平压平模切压痕机的机构结构示意图;
图2为叼纸牙结构示意图;
图3为输纸机构剖视图;
图4为叼纸牙与第一同步带传动示意图;
图5为输纸机构输纸传动示意图;
图6为输纸机构输纸传动主视图;
具体实施方式
下面结合附图对本发明作进一步详细的说明。
图1~图7示意性地显示了根据本发明的一种实施方式的新型卧式全自动平压平模切压痕机。如图所示,提供了一种新型卧式全自动平压平模切压痕机,包括机架15以及安装在机架15上的输纸机构和模切机构,机架15上还设有主动力机构和模切传动机构,主动力机构与模切传动机构相连;
模切机构包括动平台8和固定平台9,动平台8与模切传动机构相连,固定平台9固定在机架15上;
输纸机构,包括叼纸牙传动组件、叼纸牙开闭控制单元,叼纸牙传动组件包括伺服电机1、伺服控制器、第一同步带轮2、第二同步带轮3、第三同步带轮16、第四同步带轮17、第一同步带4、第二同步带18、多个叼纸牙5,伺服控制器与伺服电机1相连,第三同步带轮16与伺服电机1的传动轴相连,第三同步带轮16和第四同步带轮17之间套装第二同步带18,第一同步带轮2与第四同步带轮17相连,第一同步带轮2和第二同步带轮3之间套装第一同步带4,叼纸牙5间隔设置在第一同步带4上,叼纸牙5位于模切机的模切工作面的外侧,叼纸牙5与叼纸牙开闭控制单元相连,叼纸牙开闭控制单元与伺服控制器相配合。
其中,第一同步带轮2与第四同步带轮17通过传动轴相连或者传动杆相连,第四同步带轮17带动第一同步带轮2同步运动。
在本实施例中,第一同步带轮2与第二同步带轮3安装在模切机墙板的内侧,第三同步带轮16和第四同步带轮17安装在模切机墙板的外侧。
其有益效果是,根据实际生产需要,设定好控制伺服电机1相关参数,通过控制伺服电机1的转速来控制第三同步带轮16、第四同步带轮17和第二同步带18的速度以及停顿,第四同步带轮17带动第一同步带轮2同步运动,从而控制第一同步带轮2、第二同步带轮3和第一同步带4的速度及停顿,然后通过叼纸牙开闭控制单元配合控制叼纸牙5的张开和闭合,实现叼纸牙传动组件传输纸张7的功能,省却了现有技术中的间歇机构装置;另外,在现有技术当中,叼纸牙5都是安装在叼纸牙排上或者安装在长叼 纸杆上,然后将叼纸牙排安装在两条传送链条上进行纸张的传输,传输的过程中,叼纸牙排需横穿模切工作区域,为了避免叼纸牙排与模切平台发生碰撞,动平台行程设计得较大,且需设计为了避免叼纸牙排与模切平台发生碰撞的扭力限制器装置,这样整个叼纸机构就会比较繁重,运行速度慢、噪声大,而本发明中,每个叼纸牙5单独的固定在第一同步带4上,这样可以简化叼纸传动组件,减轻叼纸机传动组件的质量,降低噪声提高模切机运行速度,并且所有叼纸牙5位于模切机的模切工作面的外侧,叼 纸牙5与模切机的模切工作面之间有1~2mm的距离,在进行模切工艺时,主动力机构带动模切传动机构,模切传动机构带动动平台8运动,纸张7进入模切工作面,叼纸牙5夹紧纸张7的侧边和松开纸张7侧边即可完成纸张7的传输,叼纸牙5不需要横穿模切机的模切平台,如此,叼纸牙5永远都不会和模切机的模切平台发生干涉碰撞,提高了模切机使用安全性能,省却了现有技术中为预防叼纸牙5与模切机动平台8撞车设计的扭力限制器装置;本发明中,叼纸牙5和模切平台永远不会发生干涉碰撞,叼纸牙传动组件零部件数量少,简化了机构,提高了机器运行速度,机器可以运行10000张/小时以上,并且提高了产品加工质量,节约了设备运行成本,降低了设备重量。
动平台8位于固定平台9的上方位置,动平台8底面设有模切刀版6。
其有益效果是,在现有技术中,运动平台位于不动平台的下方位置,为了避免与叼纸牙排发生碰撞,运动平台的行程往往在60~70mm甚至更大,纸张7在经过下面运动平台时悬空很高,运动平台本身的运动将空气上下搅动,叼纸牙排及纸张7的运动将空气向前带动,这几股气流行程强烈的紊流,造成纸张7飘动,对模切质量造成很大影响,在本发明中,动平台8位于固定平台9的上方位置,纸张7在运动过程中紧贴着固定平台9,与固定平台9之间的空间距离很小,气体紊流就比较小,纸张7运动比较平稳,模切质量得到较大的提高。
当然,动平台8也可以位于固定平台9的下方位置,在本实施例中,优选动平台8位于固定平台9的上方位置。
叼纸牙5包括活动牙片502、固定牙片501,固定牙片501与活动牙片502通过转轴503连接,活动牙片502一端设有压纸凸台5021,固定牙片501与压纸凸台5021相对的一端设有卡纸梯台5011,卡纸梯台5011与压纸凸台5021相配合,活动牙片502另一端设有滚轮504。
其有益效果是,活动牙片502一端设有滚轮504,滚轮504的设置方便叼纸牙开闭控制单元通过滚轮504来控制活动牙片502的张开和闭合,固定牙片501与活动牙片502采用转轴503连接,在活动牙片502张开闭合的过程中,通过转轴503转动来配合实现活动牙片502的张开和关闭,转轴503既能承受弯矩又能承受扭矩,转轴503配合滚轮504能够使活动牙片502非常灵活的实现张开和关闭的动作,压纸凸台5021和卡纸梯台5011的设置,有利于固定牙片501和活动牙片502完成可靠的叼纸动作,减少在叼纸过程中发生纸张脱落现象,通过设置转轴503、滚轮504、压纸凸台5021和卡纸梯台5011,能够快速简单的完成可靠的纸张传输功能,结构简单又能保证纸张7不易发生脱落。
叼纸牙开闭控制单元包括开闭牙凸轮10,开闭牙凸轮10与滚轮504相抵接。
其有益效果是,开闭牙凸轮10连接动力源,由动力源带动开闭牙凸轮10运动,可以采用电机作为动力源,利用电机的动力轴带动开闭牙凸轮10,然后通过开闭牙凸轮10将运动传递给滚轮504,通过开闭牙凸轮10与滚轮504配合动作来控制叼纸牙的开闭,只需设计适当的凸轮轮廓,根据使用要求设计使凸轮获得一定规律的运动,便可使滚轮504得到任意的预期运动,而且结构简单、紧凑、设计方便。
模切传动机构包括偏心轴11和连杆12,偏心轴11和主动力机构相连,连杆12一端与偏心轴11相连,连杆12另一端与第一平台8相连。
其有益效果是,采用偏心轴11、连杆12作为模切传动机构相比采用曲轴、连杆12作为模切传动机构,偏心轴11、连杆12运动行程比采用曲轴、连杆12运动行程要小,偏心轴11偏心量比曲轴偏心量小,偏心轴11产生的力要大一些,而在本发明中,动平台的行程相比现有技术中动平台的行程已经大大的减小,采用偏心轴11、连杆12作为模切传动机构更适合本发明的实际需求。
当然,模切传动机构也可以采用曲轴、连杆12的方式,在本实施例中,优选偏心轴11、连杆12作为模切传动机构。
主动力机构包括主电机13和飞轮14,主电机13和飞轮14相连,飞轮14和所述偏心轴11相连。
其有益效果是,飞轮14是转动惯量很大的盘形零件,如同一个能量存储器,飞轮14与主电机13相连,在主电机13启动时,转速增大,飞轮14的动能增加,把能量储存起来,在主电机13关闭时,转速减小,飞轮14的动能较小,把能量释放出来,飞轮14可以减小机械运转过程的速度波动,主电机13通过飞轮14将运动传递给偏心轴11,再通过偏心轴11带动连杆12,连杆12带动第一平台8运动进行模切工艺,能够使得整个模切工艺更加的平稳,飞轮14起到一个缓冲的作用,另外,在紧急情况下,飞轮14还可用作动力源。
模切刀版6的底面设有模切刀601和弹性垫片602,弹性垫片602置于模切刀601的侧边,弹性垫片602处于自然状态时,模切刀601突出模切刀版6的高度低于弹性垫片602突出模切刀版6的高度;弹性垫片602处于压缩状态时,模切刀601突出模切刀版6的高度高于弹性垫片602突出模切刀版6的高度。
其有益效果是,弹性垫片602的设置,能够确保在模切工艺完成后,纸张7能够快速地从模切刀601上脱落下来,从而保证模切工作能够高效、有序地进行。
本发明还提供了一种模切方法,包括以下步骤:
S1:主动力机构带动模切传动机构,模切传动机构带动模切动平台8运动;
S2:输纸机构配合模切机构进行输纸模切;
S3:模切工艺完成后,输纸机构将模切后的纸张带走,进入下一个工序;
其中步骤S2包括:
S21:设定控制伺服电机1的相关参数,控制伺服电机1的转速和停顿;
S22:设定叼纸牙开闭控制单元相关参数,叼纸牙开闭控制单元与伺服电机1相配合;
S23:启动模切机输纸传动机构,通过伺服电机1、第二同步带18、第三同步带轮16和第四同步带轮17带动第一同步带4、第一同步带轮2和第二同步带轮3,从而带动第一同步带4上的叼纸牙5传动;
S24:叼纸牙开闭控制单元按照事先设定的参数控制叼纸牙5张开和闭合,完成输纸传动功能。
其有益效果是,本发明中的模切方法突破了传统的模切方法,通过主动力机构、模切传动机构,输纸机构可以很简便快速的完成纸张7的模切,叼纸牙5不需要横穿模切平台,省却了传统模切方法中对扭力限制器调节,且利用伺服电机1和叼纸牙开闭控制单元来控制输纸机构的速度、停顿以及叼纸牙5的张开和闭合,就能够实现纸张7的传输,省却了传统模切方法中对间歇机构的控制,本发明中的模切方法,步骤简单,控制精准,能够节约生产成本,提高工作效率。
以上所述的仅是本发明的一些实施方式。对于本领域的普通技术人员来说,在不脱离本发明创造构思的前提下,还可以做出若干变形和改进,这些都属于本发明的保护范围。
