应用案例
您当前的位置:产品应用
一种全自动齿座研磨机
一种全自动齿座研磨机
【申请公布号:CN108356355A;申请权利人:丹阳市宝利锯业机械有限公司;发明设计人:何小宝;】
摘要:
一种全自动齿座研磨机,其特征在于:所述的工作台(21)还设有上下料机构(8),所述的上下料机构(8)由设在工作台(21)上的纵横向调整座(81)、机械手臂工作平台(82)与机械手臂机构(83)组成;机械手臂工作平台(82)上设有驱动电机(821)、转轴安装座(822)、收片杆(823)与毛片杆(824);机械手臂机构(83)通过转轴安装座(822)连接在机械手臂工作平台(82)上,驱动电机(821)通过同步带(9)与机械手臂机构(83)连接;所述的转轴安装座(822)上设有三个位置传感器(10),机械手臂机构(83)上设有感应杆(11)。本发明,结构简单,PLC控制系统控制操作方便,自动化程度高。
主权项:
1.一种全自动齿座研磨机,包括机体(1),机体(1)上设有机箱(2)与控制箱(3),控制箱(3)内设有PLC控制系统;所述的机箱(2)顶部设有工作台(21),工作台(21)上设有磨削砂轮机构(12)、压片机构(4)、锯片安装座(5)与拔齿机构(6);其特征在于:所述的工作台(21)还设有上下料机构(8),所述的上下料机构(8)由设在工作台(21)上的纵横向调整座(81)、机械手臂工作平台(82)与机械手臂机构(83)组成;机械手臂工作平台(82)通过纵横向调整座(81)固定在工作台(21)上,机械手臂工作平台(82)上设有驱动电机(821)、转轴安装座(822)、收片杆(823)与毛片杆(824);机械手臂机构(83)通过转轴安装座(822)连接在机械手臂工作平台(82)上,驱动电机(821)通过同步带(9)与机械手臂机构(83)连接;所述的转轴安装座(822)上设有三个位置传感器(10),机械手臂机构(83)上设有感应杆(11);驱动电机(821)带动机械手臂机构(83)旋转,机械手臂机构(83)通过其上设有的可伸缩吸盘机构(833)进行取料、上料、下料工作。
要求:
1.一种全自动齿座研磨机,包括机体(1),机体(1)上设有机箱(2)与控制箱(3),控制箱(3)内设有PLC控制系统;所述的机箱(2)顶部设有工作台(21),工作台(21)上设有磨削砂轮机构(12)、压片机构(4)、锯片安装座(5)与拔齿机构(6);其特征在于:所述的工作台(21)还设有上下料机构(8),所述的上下料机构(8)由设在工作台(21)上的纵横向调整座(81)、机械手臂工作平台(82)与机械手臂机构(83)组成;机械手臂工作平台(82)通过纵横向调整座(81)固定在工作台(21)上,机械手臂工作平台(82)上设有驱动电机(821)、转轴安装座(822)、收片杆(823)与毛片杆(824);机械手臂机构(83)通过转轴安装座(822)连接在机械手臂工作平台(82)上,驱动电机(821)通过同步带(9)与机械手臂机构(83)连接;所述的转轴安装座(822)上设有三个位置传感器(10),机械手臂机构(83)上设有感应杆(11);驱动电机(821)带动机械手臂机构(83)旋转,机械手臂机构(83)通过其上设有的可伸缩吸盘机构(833)进行取料、上料、下料工作。
2.根据权利要求1所述的一种全自动齿座研磨机,其特征在于:所述的机械手臂机构(83)由转轴(831)、固定在转轴(831)顶端的机械臂(832)、设在机械臂(832)上的可伸缩吸盘机构(833)组成,机械臂机构(83)通过转轴(831)连接在转轴安装座(822)中,机械臂(832)在靠近转轴安装座(822)的一端设有感应杆(11)。
3.根据权利要求1所述的一种全自动齿座研磨机,其特征在于:所述的可伸缩吸盘机构(833)由活动臂(8331)、固定在机械臂(832)上的运动气缸(8332)、设在活动臂(8331)上的电磁吸盘(8333)组成;运动气缸(8332)的活塞顶部与活动臂(8331)连接,通过运动气缸(8332)带动电磁吸盘(8333)上下移动。
4.根据权利要求3所述的一种全自动齿座研磨机,其特征在于:活动臂(8331)在电磁吸盘(8333)处设有传感器(14)。
5.根据权利要求3所述的一种全自动齿座研磨机,其特征在于:所述的活动臂(8331)上还设有导向柱,机械臂(832)上设有对应的导向座,导向柱穿过导向座。
6.根据权利要求1所述的一种全自动齿座研磨机,其特征在于:所述的驱动电机(821)为伺服电机。
7.根据权利要求3所述的一种全自动齿座研磨机,其特征在于:所述的运动气缸(8332)上设有的磁性开关。
8.根据权利要求1所述的一种全自动齿座研磨机,其特征在于:所述的机械手臂工作平台(82)在毛片杆(824)上还设有角度调整器(7)。
一种全自动齿座研磨机
技术领域
本发明涉及锯片生产加工技术领域,具体涉及一种全自动齿座研磨机。
背景技术
金属圆锯片是一种常用的冷热切断工具,主要用于金属材料的切断,包括型钢、扁钢、圆钢、方钢、钢管等黑色金属以及铝材、铜材等有色金属、钛合金、碳纤维等新材料。锯片主要由一个钢质的大而薄的圆盘状锯片体组成,锯片体的外缘分布一定数量的齿座。现有的锯片上的齿座研磨机在加工过程中主要依靠人工进行上料与下料,人工上下料非常耗时,大大影响生产效率。
发明内容
针对以上缺点,本发明目的在于提供一种全自动齿座研磨机,通过机械手臂机构进行自动取料、上料、下料,自动化程度高,进一步提高了生产效率,降低了劳动力。
本发明技术的技术方案是通过以下方式实现的:一种全自动齿座研磨机,包括机体,机体上设有机箱与控制箱,控制箱内设有PLC控制系统;所述的机箱顶部设有工作台,工作台上设有磨削砂轮机构、压片机构、锯片安装座与拔齿机构;所述的工作台还设有上下料机构,所述的上下料机构由设在工作台上的纵横向调整座、机械手臂工作平台与机械手臂机构组成;机械手臂工作平台通过纵横向调整座固定在工作台上,机械手臂工作平台上设有驱动电机、转轴安装座、收片杆与毛片杆;机械手臂机构通过转轴安装座连接在机械手臂工作平台上,驱动电机通过同步带与机械手臂机构连接;所述的转轴安装座上设有三个位置传感器,机械手臂机构上设有感应杆;驱动电机带动机械手臂机构旋转,机械手臂机构上设有的可伸缩吸盘机构进行取料、上料、下料工作。
所述的机械手臂机构由转轴、固定在转轴顶端的机械臂、设在机械臂上的可伸缩吸盘机构组成,机械臂机构通过转轴连接在转轴安装座中,机械臂在靠近转轴安装座的一端设有感应杆。
所述的可伸缩吸盘机构由活动臂、固定在机械臂上的运动气缸、
设在活动臂上的电磁吸盘组成;运动气缸的活塞顶部与活动臂连接,通过运动气缸带动电磁吸盘上下移动。
所述的活动臂在电磁吸盘处设有传感器。
所述的活动臂上还设有导向柱,机械臂上设有对应的导向座,导向柱穿过导向座,通过导向座与导向柱配合保证活动臂上下移动的精准性。
所述的驱动电机为伺服电机。
所述的运动气缸上设有的磁性开关。
所述的机械手臂工作平台在毛片杆上设有角度调整器,人工将待加工的锯片放置在毛片杆上通过角度调整器调整锯片安装角度。
本发明,结构简单,操作方便快捷,自动化程度高,通过机械手臂机构进行自动取料、上料、下料,进一步提高了生产效率,降低了劳动力。
附图说明

图1是本发明的立体结构图。

图2为本发明的立体结构图。

图3是上下料机构的结构放大图。
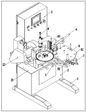
图中:1 机体、2机箱、3控制箱、4压片机构、5锯片安装座、6拔齿机构、7角度调整器、8上下料机构、9同步带、10位置传感器、11感应杆、12磨削砂轮机构、13锯片、14传感器。
具体实施方式
由图1、图2、图3知,一种全自动齿座研磨机,包括机体1,机体1上设有机箱2与控制箱3,控制箱3内设有PLC控制系统;所述的机箱2顶部设有工作台21,工作台21上设有磨削砂轮机构12、压片机构4、锯片安装座5与拔齿机构6;所述的工作台21还设有上下料机构8,所述的上下料机构8由设在工作台21上的纵横向调整座81、机械手臂工作平台82与机械手臂机构83组成;机械手臂工作平台82通过纵横向调整座81固定在工作台21上,机械手臂工作平台82上设有驱动电机821、转轴安装座822、收片杆823与毛片杆824;机械手臂机构83通过转轴安装座822连接在机械手臂工作平台82上,驱动电机821通过同步带9与机械手臂机构83连接;所述的转轴安装座822上设有三个位置传感器10,机械手臂机构83上设有感应杆11;驱动电机821带动机械手臂机构83旋转,机械手臂机构83通过其上设有的可伸缩吸盘机构833进行取料、上料、下料工作。所述的机械手臂机构83由转轴831、固定在转轴831顶端的机械臂832、设在机械臂832上的可伸缩吸盘机构833组成,机械臂机构83通过转轴831连接在转轴安装座822中,机械臂832在靠近转轴安装座822的一端设有感应杆11。所述的可伸缩吸盘机构833由活动臂8331、固定在机械臂832上的运动气缸8332、设在活动臂8331上的电磁吸盘8333组成;运动气缸8332的活塞顶部与活动臂8331连接,通过运动气缸8332带动电磁吸盘8333上下移动;活动臂8331在电磁吸盘8333处设有传感器14,通过传感器14探测锯片13的位置。所述的活动臂8331上还设有导向柱,机械臂832上设有对应的导向座,导向柱穿过导向座;通过导向座与导向柱配合保证活动臂8331上下移动的精准性,从而保证电磁吸盘8333移动的上下移动位置精确。所述的机械手臂工作平台82在毛片杆824上设有角度调整器7,人工将待加工的锯片13放置在毛片杆824上通过角度调整器7调整锯片13安装角度。
工作前,通过纵横向调整座81调节机械手臂机构83纵向与横向位置,通过位置调整从而满足对不同尺寸锯片13的加工,进一步提高本发明的使用率;将待加工的多个锯片13套放在机械手臂工作平台82的毛片杆824中通过角度调整器7调整锯片13的角度;启动机器进入工作状态,机械手臂机构83由驱动电机821带动进行旋转,机械手臂机构83上的可伸缩吸盘机构833旋转到毛片杆824位置时,转轴安装座822上对应的位置传感器10感应到感应杆11,反馈给机器的PLC控制系统,PLC控制系统控制驱动电机821停止工作,运动气缸8332工作带动电磁吸盘8333下移,吸取待加工的锯片13;后运动气缸8332复位将待加工的锯片13从毛片杆824中取出;后驱动电机821带动机械手臂机构83旋转,将带有锯片的电磁吸盘8333送到锯片安装座5位置,电磁吸盘8333处的传感器14探测锯片13的位置后,运动气缸8332上设有的磁性开关感知到传感器14发出的信号,传送给PLC控制系统,控制电磁吸盘8333上的电磁铁失电,锯片13则放在锯片安装座5上的工作位置,运动气缸8332复位,后机械手臂机构83旋转离开;由压片机构4压紧锯片13;磨削砂轮机构12进行齿座研磨工作,研磨过程中通过拔齿机构6进行拔齿;加工完成后,再由机械手臂机构83将加工好的锯片取出,并送入收片杆823;后再从收片杆823处移动到毛片杆824处取出待加工的锯片13,重复上述过程,本发明,结构简单,PLC控制系统控制操作方便快捷,自动化程度高,通过机械手臂机构进行自动取料、上料、下料,进一步提高了生产效率,降低了劳动力。
【申请公布号:CN108356355A;申请权利人:丹阳市宝利锯业机械有限公司;发明设计人:何小宝;】
摘要:
一种全自动齿座研磨机,其特征在于:所述的工作台(21)还设有上下料机构(8),所述的上下料机构(8)由设在工作台(21)上的纵横向调整座(81)、机械手臂工作平台(82)与机械手臂机构(83)组成;机械手臂工作平台(82)上设有驱动电机(821)、转轴安装座(822)、收片杆(823)与毛片杆(824);机械手臂机构(83)通过转轴安装座(822)连接在机械手臂工作平台(82)上,驱动电机(821)通过同步带(9)与机械手臂机构(83)连接;所述的转轴安装座(822)上设有三个位置传感器(10),机械手臂机构(83)上设有感应杆(11)。本发明,结构简单,PLC控制系统控制操作方便,自动化程度高。
主权项:
1.一种全自动齿座研磨机,包括机体(1),机体(1)上设有机箱(2)与控制箱(3),控制箱(3)内设有PLC控制系统;所述的机箱(2)顶部设有工作台(21),工作台(21)上设有磨削砂轮机构(12)、压片机构(4)、锯片安装座(5)与拔齿机构(6);其特征在于:所述的工作台(21)还设有上下料机构(8),所述的上下料机构(8)由设在工作台(21)上的纵横向调整座(81)、机械手臂工作平台(82)与机械手臂机构(83)组成;机械手臂工作平台(82)通过纵横向调整座(81)固定在工作台(21)上,机械手臂工作平台(82)上设有驱动电机(821)、转轴安装座(822)、收片杆(823)与毛片杆(824);机械手臂机构(83)通过转轴安装座(822)连接在机械手臂工作平台(82)上,驱动电机(821)通过同步带(9)与机械手臂机构(83)连接;所述的转轴安装座(822)上设有三个位置传感器(10),机械手臂机构(83)上设有感应杆(11);驱动电机(821)带动机械手臂机构(83)旋转,机械手臂机构(83)通过其上设有的可伸缩吸盘机构(833)进行取料、上料、下料工作。
要求:
1.一种全自动齿座研磨机,包括机体(1),机体(1)上设有机箱(2)与控制箱(3),控制箱(3)内设有PLC控制系统;所述的机箱(2)顶部设有工作台(21),工作台(21)上设有磨削砂轮机构(12)、压片机构(4)、锯片安装座(5)与拔齿机构(6);其特征在于:所述的工作台(21)还设有上下料机构(8),所述的上下料机构(8)由设在工作台(21)上的纵横向调整座(81)、机械手臂工作平台(82)与机械手臂机构(83)组成;机械手臂工作平台(82)通过纵横向调整座(81)固定在工作台(21)上,机械手臂工作平台(82)上设有驱动电机(821)、转轴安装座(822)、收片杆(823)与毛片杆(824);机械手臂机构(83)通过转轴安装座(822)连接在机械手臂工作平台(82)上,驱动电机(821)通过同步带(9)与机械手臂机构(83)连接;所述的转轴安装座(822)上设有三个位置传感器(10),机械手臂机构(83)上设有感应杆(11);驱动电机(821)带动机械手臂机构(83)旋转,机械手臂机构(83)通过其上设有的可伸缩吸盘机构(833)进行取料、上料、下料工作。
2.根据权利要求1所述的一种全自动齿座研磨机,其特征在于:所述的机械手臂机构(83)由转轴(831)、固定在转轴(831)顶端的机械臂(832)、设在机械臂(832)上的可伸缩吸盘机构(833)组成,机械臂机构(83)通过转轴(831)连接在转轴安装座(822)中,机械臂(832)在靠近转轴安装座(822)的一端设有感应杆(11)。
3.根据权利要求1所述的一种全自动齿座研磨机,其特征在于:所述的可伸缩吸盘机构(833)由活动臂(8331)、固定在机械臂(832)上的运动气缸(8332)、设在活动臂(8331)上的电磁吸盘(8333)组成;运动气缸(8332)的活塞顶部与活动臂(8331)连接,通过运动气缸(8332)带动电磁吸盘(8333)上下移动。
4.根据权利要求3所述的一种全自动齿座研磨机,其特征在于:活动臂(8331)在电磁吸盘(8333)处设有传感器(14)。
5.根据权利要求3所述的一种全自动齿座研磨机,其特征在于:所述的活动臂(8331)上还设有导向柱,机械臂(832)上设有对应的导向座,导向柱穿过导向座。
6.根据权利要求1所述的一种全自动齿座研磨机,其特征在于:所述的驱动电机(821)为伺服电机。
7.根据权利要求3所述的一种全自动齿座研磨机,其特征在于:所述的运动气缸(8332)上设有的磁性开关。
8.根据权利要求1所述的一种全自动齿座研磨机,其特征在于:所述的机械手臂工作平台(82)在毛片杆(824)上还设有角度调整器(7)。
一种全自动齿座研磨机
技术领域
本发明涉及锯片生产加工技术领域,具体涉及一种全自动齿座研磨机。
背景技术
金属圆锯片是一种常用的冷热切断工具,主要用于金属材料的切断,包括型钢、扁钢、圆钢、方钢、钢管等黑色金属以及铝材、铜材等有色金属、钛合金、碳纤维等新材料。锯片主要由一个钢质的大而薄的圆盘状锯片体组成,锯片体的外缘分布一定数量的齿座。现有的锯片上的齿座研磨机在加工过程中主要依靠人工进行上料与下料,人工上下料非常耗时,大大影响生产效率。
发明内容
针对以上缺点,本发明目的在于提供一种全自动齿座研磨机,通过机械手臂机构进行自动取料、上料、下料,自动化程度高,进一步提高了生产效率,降低了劳动力。
本发明技术的技术方案是通过以下方式实现的:一种全自动齿座研磨机,包括机体,机体上设有机箱与控制箱,控制箱内设有PLC控制系统;所述的机箱顶部设有工作台,工作台上设有磨削砂轮机构、压片机构、锯片安装座与拔齿机构;所述的工作台还设有上下料机构,所述的上下料机构由设在工作台上的纵横向调整座、机械手臂工作平台与机械手臂机构组成;机械手臂工作平台通过纵横向调整座固定在工作台上,机械手臂工作平台上设有驱动电机、转轴安装座、收片杆与毛片杆;机械手臂机构通过转轴安装座连接在机械手臂工作平台上,驱动电机通过同步带与机械手臂机构连接;所述的转轴安装座上设有三个位置传感器,机械手臂机构上设有感应杆;驱动电机带动机械手臂机构旋转,机械手臂机构上设有的可伸缩吸盘机构进行取料、上料、下料工作。
所述的机械手臂机构由转轴、固定在转轴顶端的机械臂、设在机械臂上的可伸缩吸盘机构组成,机械臂机构通过转轴连接在转轴安装座中,机械臂在靠近转轴安装座的一端设有感应杆。
所述的可伸缩吸盘机构由活动臂、固定在机械臂上的运动气缸、
设在活动臂上的电磁吸盘组成;运动气缸的活塞顶部与活动臂连接,通过运动气缸带动电磁吸盘上下移动。
所述的活动臂在电磁吸盘处设有传感器。
所述的活动臂上还设有导向柱,机械臂上设有对应的导向座,导向柱穿过导向座,通过导向座与导向柱配合保证活动臂上下移动的精准性。
所述的驱动电机为伺服电机。
所述的运动气缸上设有的磁性开关。
所述的机械手臂工作平台在毛片杆上设有角度调整器,人工将待加工的锯片放置在毛片杆上通过角度调整器调整锯片安装角度。
本发明,结构简单,操作方便快捷,自动化程度高,通过机械手臂机构进行自动取料、上料、下料,进一步提高了生产效率,降低了劳动力。
附图说明

图1是本发明的立体结构图。

图2为本发明的立体结构图。

图3是上下料机构的结构放大图。
图中:1 机体、2机箱、3控制箱、4压片机构、5锯片安装座、6拔齿机构、7角度调整器、8上下料机构、9同步带、10位置传感器、11感应杆、12磨削砂轮机构、13锯片、14传感器。
具体实施方式
由图1、图2、图3知,一种全自动齿座研磨机,包括机体1,机体1上设有机箱2与控制箱3,控制箱3内设有PLC控制系统;所述的机箱2顶部设有工作台21,工作台21上设有磨削砂轮机构12、压片机构4、锯片安装座5与拔齿机构6;所述的工作台21还设有上下料机构8,所述的上下料机构8由设在工作台21上的纵横向调整座81、机械手臂工作平台82与机械手臂机构83组成;机械手臂工作平台82通过纵横向调整座81固定在工作台21上,机械手臂工作平台82上设有驱动电机821、转轴安装座822、收片杆823与毛片杆824;机械手臂机构83通过转轴安装座822连接在机械手臂工作平台82上,驱动电机821通过同步带9与机械手臂机构83连接;所述的转轴安装座822上设有三个位置传感器10,机械手臂机构83上设有感应杆11;驱动电机821带动机械手臂机构83旋转,机械手臂机构83通过其上设有的可伸缩吸盘机构833进行取料、上料、下料工作。所述的机械手臂机构83由转轴831、固定在转轴831顶端的机械臂832、设在机械臂832上的可伸缩吸盘机构833组成,机械臂机构83通过转轴831连接在转轴安装座822中,机械臂832在靠近转轴安装座822的一端设有感应杆11。所述的可伸缩吸盘机构833由活动臂8331、固定在机械臂832上的运动气缸8332、设在活动臂8331上的电磁吸盘8333组成;运动气缸8332的活塞顶部与活动臂8331连接,通过运动气缸8332带动电磁吸盘8333上下移动;活动臂8331在电磁吸盘8333处设有传感器14,通过传感器14探测锯片13的位置。所述的活动臂8331上还设有导向柱,机械臂832上设有对应的导向座,导向柱穿过导向座;通过导向座与导向柱配合保证活动臂8331上下移动的精准性,从而保证电磁吸盘8333移动的上下移动位置精确。所述的机械手臂工作平台82在毛片杆824上设有角度调整器7,人工将待加工的锯片13放置在毛片杆824上通过角度调整器7调整锯片13安装角度。
工作前,通过纵横向调整座81调节机械手臂机构83纵向与横向位置,通过位置调整从而满足对不同尺寸锯片13的加工,进一步提高本发明的使用率;将待加工的多个锯片13套放在机械手臂工作平台82的毛片杆824中通过角度调整器7调整锯片13的角度;启动机器进入工作状态,机械手臂机构83由驱动电机821带动进行旋转,机械手臂机构83上的可伸缩吸盘机构833旋转到毛片杆824位置时,转轴安装座822上对应的位置传感器10感应到感应杆11,反馈给机器的PLC控制系统,PLC控制系统控制驱动电机821停止工作,运动气缸8332工作带动电磁吸盘8333下移,吸取待加工的锯片13;后运动气缸8332复位将待加工的锯片13从毛片杆824中取出;后驱动电机821带动机械手臂机构83旋转,将带有锯片的电磁吸盘8333送到锯片安装座5位置,电磁吸盘8333处的传感器14探测锯片13的位置后,运动气缸8332上设有的磁性开关感知到传感器14发出的信号,传送给PLC控制系统,控制电磁吸盘8333上的电磁铁失电,锯片13则放在锯片安装座5上的工作位置,运动气缸8332复位,后机械手臂机构83旋转离开;由压片机构4压紧锯片13;磨削砂轮机构12进行齿座研磨工作,研磨过程中通过拔齿机构6进行拔齿;加工完成后,再由机械手臂机构83将加工好的锯片取出,并送入收片杆823;后再从收片杆823处移动到毛片杆824处取出待加工的锯片13,重复上述过程,本发明,结构简单,PLC控制系统控制操作方便快捷,自动化程度高,通过机械手臂机构进行自动取料、上料、下料,进一步提高了生产效率,降低了劳动力。
