应用案例
您当前的位置:产品应用
一种毛毯机用同步带控制系统
一种毛毯机用同步带控制系统
【申请公布号:CN109160346A;申请权利人:苏州琼派瑞特电子科技有限公司;发明设计人:刘航东;】
摘要:
本发明涉及一种毛毯机用同步带控制系统,机架的上部设有主电机;主电机通过传送带与第一滚轮相连,第一滚轮可转动设置在第一转轴上;第一转轴的另一端设有第一同步带机构;第一转轴通过传动组件与第二转轴相连;第二转轴上设有位于第一同步带机构下方的第二同步带机构;第二转轴与第三转轴通过皮带相连;第三转轴上设有第三同步带机构;第三转轴通过传动组件与第四转轴相连;第四转轴上设有位于第三同步带机构上方的第四同步带,本发明通过一个主电机带动了第一同步带、第二同步带、第三同步带、第四同步带和纠偏同步带进行传送,这样不仅减少了电机的数量,降低了生产成本,同时降低了设备的重量,使得整个设备结构紧凑,传动效率高。
主权项:
1.一种毛毯机用同步带控制系统,其特征在于,包括:机架、主电机、传送带、第一滚轮、第一同步带机构、第一转轴、传动组件、第二转轴、第二同步带机构、第三转轴、皮带、第三同步带机构、第四转轴、第四同步带机构;所述机架的上部设有主电机;所述主电机通过传送带与第一滚轮相连,第一滚轮可转动设置在第一转轴上;所述第一转轴的另一端设有第一同步带机构;所述第一转轴通过传动组件与第二转轴相连;所述第二转轴上设有位于第一同步带机构下方的第二同步带机构;所述第二转轴与第三转轴通过皮带相连;所述第三转轴上设有第三同步带机构;所述第三转轴通过传动组件与第四转轴相连;所述第四转轴上设有位于第三同步带机构上方的第四同步带机构。
要求:
1.一种毛毯机用同步带控制系统,其特征在于,包括:机架、主电机、传送带、第一滚轮、第一同步带机构、第一转轴、传动组件、第二转轴、第二同步带机构、第三转轴、皮带、第三同步带机构、第四转轴、第四同步带机构;所述机架的上部设有主电机;所述主电机通过传送带与第一滚轮相连,第一滚轮可转动设置在第一转轴上;所述第一转轴的另一端设有第一同步带机构;所述第一转轴通过传动组件与第二转轴相连;所述第二转轴上设有位于第一同步带机构下方的第二同步带机构;所述第二转轴与第三转轴通过皮带相连;所述第三转轴上设有第三同步带机构;所述第三转轴通过传动组件与第四转轴相连;所述第四转轴上设有位于第三同步带机构上方的第四同步带机构。
2.根据权利要求1所述的毛毯机用同步带控制系统,其特征在于:所述第一同步带机构包括第一传动滚轮、第二传动滚轮、第三传动滚轮、第四传动滚轮、第五传动滚轮、传动同步带、第一同步带和第六传动滚轮;所述第一传动滚轮设置在第一转轴上;所述第一传动滚轮的上方设有第二传动滚轮;所述第二传动滚轮的两侧分别设有第三传动滚轮和第四传动滚轮,上述第一传动滚轮、第二传动滚轮、第四传动滚轮和第三传动滚轮依次通过传动同步带相连;所述第四传动滚轮和第五传动滚轮同轴设置;所述第五传动滚轮通过第一同步带与位于机架前端的第六传动滚轮相连。
3.根据权利要求1所述的毛毯机用同步带控制系统,其特征在于:所述第二同步带机构包括第一传输滚轮、传送带、第二传输滚轮、第一传输轴、第二传输轴、第三传输滚轮、第四传输滚轮、第五传输滚轮和第二同步带;所述第一传输滚轮设置在第二转轴上;所述第一传输滚轮通过传送带与第二传输滚轮相连,第二传输滚轮设置在第一传输轴上,第一传输轴和第二传输轴相连;所述第三传输滚轮设置在第二传输轴上;所述第三传输滚轮、位于第三传输滚轮上方的第四传输滚轮以及位于第三传输滚轮前端的第五传输滚轮之间通过第二同步带相连,且第二同步带位于第一同步带下方。
4.根据权利要求1所述的毛毯机用同步带控制系统,其特征在于:所述第三同步带机构包括第一驱动滚轮、第二驱动滚轮、第三驱动滚轮、第四驱动滚轮和第三同步带;所述第一驱动滚轮与第三转轴相连;所述第一驱动滚轮前端设有第二驱动滚轮,第二驱动滚轮下方设有第三驱动滚轮;所述第三驱动滚轮的右侧设有多个第四驱动滚轮,上述第一驱动滚轮、第二驱动滚轮、第三驱动滚轮和第四驱动滚轮通过第三同步带相连。
5.根据权利要求1所述的毛毯机用同步带控制系统,其特征在于:所述第四同步带机构包括第一输送滚轮、第二输送滚轮和第四同步带;所述第一输送滚轮与第四转轴相连;所述第一输送滚轮一侧设有交错分布的多个第二输送滚轮;所述第一输送滚轮和多个第二传输滚轮之间通过第四同步带相连,且第四同步带位于第三同步带上方。
6.根据权利要求1所述的毛毯机用同步带控制系统,其特征在于:所述传动组件包括相互啮合的第一齿轮和第二齿轮。
7.根据权利要求1所述的毛毯机用同步带控制系统,其特征在于:所述第一传输轴和第二传输轴通过三角带相连。
8.根据权利要求1所述的毛毯机用同步带控制系统,其特征在于:所述第一同步带还与位于机架上的纠偏滚轮相连;所述纠偏滚轮与第一纠偏同步轮同轴设置;所述第一纠偏同步轮与位于其前端的多个交错分布的第二纠偏同步轮通过纠偏同步带相连。
种毛毯机用同步带控制系统
技术领域
本发明涉及一种同步带控制系统,尤其涉及一种毛毯机用同步带控制系统。
背景技术
毛毯机是一种用于自动生产毛毯的一种设备,在整个毛毯机的生产加工中,需要用到多个同步带对布料进行传输和一些纠偏等操作,现有的毛毯机加工设备中,大多为一个电机对应一个同步带来实现同步带传输布料的功能,但是在实际的安装使用后发现,电机的数量多,这样提高了生产成本,同时传输效率低下,并且还提高了整个设备的重量,不便于进行运输等,给实际的使用带来了诸多不便。
发明内容
本发明目的是为了克服现有技术的不足而提供一种结构紧凑,通过一个主电机就能实现对多个同步带进行传输的毛毯机用同步带控制系统。
为达到上述目的,本发明采用的技术方案是:一种毛毯机用同步带控制系统,包括:机架、主电机、传送带、第一滚轮、第一同步带机构、第一转轴、传动组件、第二转轴、第二同步带机构、第三转轴、皮带、第三同步带机构、第四转轴、第四同步带机构;所述机架的上部设有主电机;所述主电机通过传送带与第一滚轮相连,第一滚轮可转动设置在第一转轴上;所述第一转轴的另一端设有第一同步带机构;所述第一转轴通过传动组件与第二转轴相连;所述第二转轴上设有位于第一同步带机构下方的第二同步带机构;所述第二转轴与第三转轴通过皮带相连;所述第三转轴上设有第三同步带机构;所述第三转轴通过传动组件与第四转轴相连;所述第四转轴上设有位于第三同步带机构上方的第四同步带机构。
优选的,所述第一同步带机构包括第一传动滚轮、第二传动滚轮、第三传动滚轮、第四传动滚轮、第五传动滚轮、传动同步带、第一同步带和第六传动滚轮;所述第一传动滚轮设置在第一转轴上;所述第一传动滚轮的上方设有第二传动滚轮;所述第二传动滚轮的两侧分别设有第三传动滚轮和第四传动滚轮,上述第一传动滚轮、第二传动滚轮、第四传动滚轮和第三传动滚轮依次通过传动同步带相连;所述第四传动滚轮和第五传动滚轮同轴设置;所述第五传动滚轮通过第一同步带与位于机架前端的第六传动滚轮相连。
优选的,所述第二同步带机构包括第一传输滚轮、传送带、第二传输滚轮、第一传输轴、第二传输轴、第三传输滚轮、第四传输滚轮、第五传输滚轮和第二同步带;所述第一传输滚轮设置在第二转轴上;所述第一传输滚轮通过传送带与第二传输滚轮相连,第二传输滚轮设置在第一传输轴上,第一传输轴和第二传输轴相连;所述第三传输滚轮设置在第二传输轴上;所述第三传输滚轮、位于第三传输滚轮上方的第四传输滚轮以及位于第三传输滚轮前端的第五传输滚轮之间通过第二同步带相连,且第二同步带位于第一同步带下方。
优选的,所述第三同步带机构包括第一驱动滚轮、第二驱动滚轮、第三驱动滚轮、第四驱动滚轮和第三同步带;所述第一驱动滚轮与第三转轴相连;所述第一驱动滚轮前端设有第二驱动滚轮,第二驱动滚轮下方设有第三驱动滚轮;所述第三驱动滚轮的右侧设有多个第四驱动滚轮,上述第一驱动滚轮、第二驱动滚轮、第三驱动滚轮和第四驱动滚轮通过第三同步带相连。
优选的,所述第四同步带机构包括第一输送滚轮、第二输送滚轮和第四同步带;所述第一输送滚轮与第四转轴相连;所述第一输送滚轮一侧设有交错分布的多个第二输送滚轮;所述第一输送滚轮和多个第二传输滚轮之间通过第四同步带相连,且第四同步带位于第三同步带上方。
优选的,所述传动组件包括相互啮合的第一齿轮和第二齿轮。
优选的,所述第一传输轴和第二传输轴通过三角带相连。
优选的,所述第一同步带还与位于机架上的纠偏滚轮相连;所述纠偏滚轮与第一纠偏同步轮同轴设置;所述第一纠偏同步轮与位于其前端的多个交错分布的第二纠偏同步轮通过纠偏同步带相连。
由于上述技术方案的运用,本发明与现有技术相比具有下列优点:
本发明方案的毛毯机用同步带控制系统,通过一个主电机带动了第一同步带、第二同步带、第三同步带、第四同步带和纠偏同步带进行传送,这样不仅减少了电机的数量,降低了生产成本,同时降低了设备的重量,使得整个设备结构紧凑,传动效率高,具有较好的实用价值。
附图说明
下面结合附图对本发明技术方案作进一步说明:

附图1为本发明的立体结构示意图;

附图2为附图1中的A的局部放大图;

附图3为附图1中B的局部放大图;

附图4为附图1中C的局部放大图;

附图5为本发明的主视图;

附图6为附图5中的局部放大图;

附图7为本发明的另一视角的立体结构示意图;

附图8为附图7中G的局部放大图;

附图9为本发明的另一视角的立体结构示意图;

附图10为附图9中D的局部放大图;

附图11为附图9中E的局部放大图;

附图12为附图9中F的局部放大图;

附图13为本发明的另一视角的立体结构示意图;

附图14为附图13中H的局部放大图;

附图15为附图13中I的局部放大图;
其中:1、机架;2、主电机;3、传送带;4、第一滚轮;5、第一转轴;6、第二转轴;7、第三转轴;8、第四转轴;20、第一传动滚轮;21、第二传动滚轮;22、第三传动滚轮;23、第四传动滚轮;24、第五传动滚轮;25、传动同步带;26、第一同步带;27、第六传动滚轮;30、第一传输滚轮;31、第二传输滚轮;32、第一传输轴;33、第二传输轴;34、第三传输滚轮;35、第四传输滚轮;36、第五传输滚轮;37、第二同步带;40、第一驱动滚轮;41、第二驱动滚轮;42、第三驱动滚轮;43、第四驱动滚轮;44、第三同步带;50、第一输送滚轮;51、第二输送滚轮;52、第四同步带;60、纠偏滚轮;61、第一纠偏同步轮;62、第二纠偏同步轮。
具体实施方式
下面结合附图及具体实施例对本发明作进一步的详细说明。
如附图1-15所示的本发明所述的一种毛毯机用同步带控制系统,包括:机架1、主电机2、传送带3、第一滚轮4、第一同步带机构、第一转轴5、传动组件、第二转轴6、第二同步带机构、第三转轴7、皮带(图中未示出)、第三同步带机构、第四转轴8、第四同步带机构;所述机架1的上部设有主电机2;所述主电机2通过传送带3与第一滚轮4相连,第一滚轮4可转动设置在第一转轴5上;所述第一转轴5的另一端设有第一同步带机构;所述第一转轴5通过传动组件与第二转轴6相连;所述第二转轴6上设有位于第一同步带机构下方的第二同步带机构;所述第二转轴6与第三转轴7通过皮带相连;所述第三转轴7上设有第三同步带机构;所述第三转轴7通过传动组件与第四转轴8相连;所述第四转轴8上设有位于第三同步带机构上方的第四同步带机构。
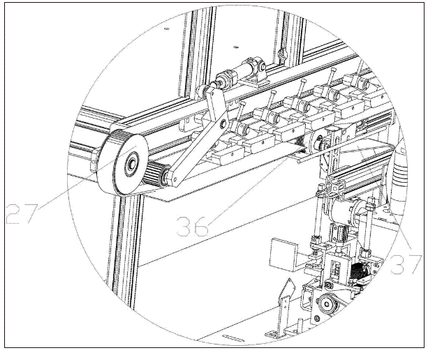
进一步的,所述第一同步带机构包括第一传动滚轮20、第二传动滚轮21、第三传动滚轮22、第四传动滚轮23、第五传动滚轮24、传动同步带25、第一同步带26和第六传动滚轮27;所述第一传动滚轮20设置在第一转轴5上;所述第一传动滚轮20的上方设有第二传动滚轮21;所述第二传动滚轮21的两侧分别设有第三传动滚轮22和第四传动滚轮23,上述第一传动滚轮20、第二传动滚轮21、第四传动滚轮23和第三传动滚轮22依次通过传动同步带25相连;所述第四传动滚轮23和第五传动滚轮24同轴设置;所述第五传动滚轮24通过第一同步带26与位于机架1前端的第六传动滚轮27相连。
进一步的,所述第二同步带机构包括第一传输滚轮30、传送带3、第二传输滚轮31、第一传输轴32、第二传输轴33、第四传输滚轮34、第五传输滚轮35、第六传输滚轮36和第二同步带37;所述第一传输滚轮30设置在第二转轴6上;所述第一传输滚轮30通过传送带3与第二传输滚轮31相连,第二传输滚轮31设置在第一传输轴32上,第一传输轴32和第二传输轴33相连;所述第四传输滚轮34设置在第二传输轴33上;所述第四传输滚轮34、位于第四传输滚轮34上方的第五传输滚轮35以及位于第四传输滚轮34前端的第六传输滚轮36之间通过第二同步带37相连,且第二同步带37位于第一同步带26下方。
进一步的,所述第三同步带机构包括第一驱动滚轮40、第二驱动滚轮41、第三驱动滚轮42、第四驱动滚轮43和第三同步带44;所述第一驱动滚轮40与第三转轴7相连;所述第一驱动滚轮40前端设有第二驱动滚轮41,第二驱动滚轮41下方设有第三驱动滚轮42;所述第三驱动滚轮42的右侧设有多个第四驱动滚轮43,上述第一驱动滚轮40、第二驱动滚轮41、第三驱动滚轮42和第四驱动滚轮43通过第三同步带44相连。
进一步的,所述第四同步带机构包括第一输送滚轮50、第二输送滚轮51和第四同步带52;所述第一输送滚轮50与第四转轴8相连;所述第一输送滚轮50一侧设有交错分布的多个第二输送滚轮51;所述第一输送滚轮50和多个第二传输滚轮51之间通过第四同步带52相连,且第四同步带52位于第三同步带43上方。
进一步的,所述第一同步带26还与位于机架1上的纠偏滚轮60相连;所述纠偏滚轮60与第一纠偏同步轮61同轴设置;所述第一纠偏同步轮61与位于其前端的多个交错分布的第二纠偏同步轮62通过纠偏同步带(图中未示出)相连。
其中,所述传动组件包括相互啮合的第一齿轮和第二齿轮,两个齿轮之间的传动保证了第一转轴和第二转轴之间的相互传动,第三转轴和第四转轴之间的相互传动;所述第一传输轴和第二传输轴通过三角带相连。
具体工作时,首先主电机2开始工作,主电机2通过传送带3带动第一滚轮4转动,第一滚轮4通过第一转轴5带动第一传动滚轮20转动,第一传动滚轮20通过传动同步带25依次带动第二传动滚轮21、第四传动滚轮23和第三传动滚轮22转动;第四传动滚轮23转动进而带动第五传动滚轮24转动;第五传动滚轮24和第六传动滚轮27通过第一同步带26相连,进而可以驱动第一同步带26传送。
同时,第一转轴5通过传动组件带动第二转轴6转动,第二转轴6转动带动了第一传输滚轮30转动,第一传输滚轮30通过传送3带驱动第二传输滚轮31转动,第二传输滚轮31带动第一传输轴32转动,第一传输轴32带动第二传输轴33转动,第二传输轴33带动第三传输滚轮34转动,第三传输滚轮34、第四传输滚轮35、第五传输滚轮36之间通过第二同步带37相连,进而可以驱动第二同步带37传送。
第二转轴6与第三转轴7通过皮带相连;第二转轴6转动时,第三转轴7也转动,第三转轴7转动就驱动第一驱动滚轮40转动,第一驱动滚轮40、第二驱动滚轮41、第三驱动滚轮42以及第四驱动滚轮43之间通过第三同步带44相连,这样就驱动第三同步带44开始传送。
第三转轴7带动第四转轴8转动,第四转轴8上的第一输送滚轮50开始转动,第一输送滚轮50、第二输送滚轮51通过第四同步52带相连,进而驱动第四同步带52传送。
所述第一同步带26还与位于机架上的纠偏滚轮60相连,上述纠偏滚轮60第一同步带7可转动相连;所述纠偏滚轮60与第一纠偏同步轮61同轴设置;所述第一纠偏同步轮61与位于其前端的第二纠偏同步轮62通过纠偏同步带(图中未示出)相连。这样当第一同步带26开始传送时,第一同步带26驱动纠偏滚轮60进行转动,纠偏滚轮60带动了第一纠偏同步轮61进行转动,第一纠偏同步轮61和第二纠偏同步轮62之间通过纠偏同步带相连,这样纠偏同步带也能同步进行转动。
本发明的毛毯机用同步带控制系统,通过一个主电机带动了第一同步带、第二同步带、第三同步带、第四同步带和纠偏同步带进行传送,这样不仅减少了电机的数量,降低了生产成本,同时降低了设备的重量,使得整个设备结构紧凑,传动效率高,具有较好的实用价值。
以上仅是本发明的具体应用范例,对本发明的保护范围不构成任何限制。凡采用等同变换或者等效替换而形成的技术方案,均落在本发明权利保护范围之内。
【申请公布号:CN109160346A;申请权利人:苏州琼派瑞特电子科技有限公司;发明设计人:刘航东;】
摘要:
本发明涉及一种毛毯机用同步带控制系统,机架的上部设有主电机;主电机通过传送带与第一滚轮相连,第一滚轮可转动设置在第一转轴上;第一转轴的另一端设有第一同步带机构;第一转轴通过传动组件与第二转轴相连;第二转轴上设有位于第一同步带机构下方的第二同步带机构;第二转轴与第三转轴通过皮带相连;第三转轴上设有第三同步带机构;第三转轴通过传动组件与第四转轴相连;第四转轴上设有位于第三同步带机构上方的第四同步带,本发明通过一个主电机带动了第一同步带、第二同步带、第三同步带、第四同步带和纠偏同步带进行传送,这样不仅减少了电机的数量,降低了生产成本,同时降低了设备的重量,使得整个设备结构紧凑,传动效率高。
主权项:
1.一种毛毯机用同步带控制系统,其特征在于,包括:机架、主电机、传送带、第一滚轮、第一同步带机构、第一转轴、传动组件、第二转轴、第二同步带机构、第三转轴、皮带、第三同步带机构、第四转轴、第四同步带机构;所述机架的上部设有主电机;所述主电机通过传送带与第一滚轮相连,第一滚轮可转动设置在第一转轴上;所述第一转轴的另一端设有第一同步带机构;所述第一转轴通过传动组件与第二转轴相连;所述第二转轴上设有位于第一同步带机构下方的第二同步带机构;所述第二转轴与第三转轴通过皮带相连;所述第三转轴上设有第三同步带机构;所述第三转轴通过传动组件与第四转轴相连;所述第四转轴上设有位于第三同步带机构上方的第四同步带机构。
要求:
1.一种毛毯机用同步带控制系统,其特征在于,包括:机架、主电机、传送带、第一滚轮、第一同步带机构、第一转轴、传动组件、第二转轴、第二同步带机构、第三转轴、皮带、第三同步带机构、第四转轴、第四同步带机构;所述机架的上部设有主电机;所述主电机通过传送带与第一滚轮相连,第一滚轮可转动设置在第一转轴上;所述第一转轴的另一端设有第一同步带机构;所述第一转轴通过传动组件与第二转轴相连;所述第二转轴上设有位于第一同步带机构下方的第二同步带机构;所述第二转轴与第三转轴通过皮带相连;所述第三转轴上设有第三同步带机构;所述第三转轴通过传动组件与第四转轴相连;所述第四转轴上设有位于第三同步带机构上方的第四同步带机构。
2.根据权利要求1所述的毛毯机用同步带控制系统,其特征在于:所述第一同步带机构包括第一传动滚轮、第二传动滚轮、第三传动滚轮、第四传动滚轮、第五传动滚轮、传动同步带、第一同步带和第六传动滚轮;所述第一传动滚轮设置在第一转轴上;所述第一传动滚轮的上方设有第二传动滚轮;所述第二传动滚轮的两侧分别设有第三传动滚轮和第四传动滚轮,上述第一传动滚轮、第二传动滚轮、第四传动滚轮和第三传动滚轮依次通过传动同步带相连;所述第四传动滚轮和第五传动滚轮同轴设置;所述第五传动滚轮通过第一同步带与位于机架前端的第六传动滚轮相连。
3.根据权利要求1所述的毛毯机用同步带控制系统,其特征在于:所述第二同步带机构包括第一传输滚轮、传送带、第二传输滚轮、第一传输轴、第二传输轴、第三传输滚轮、第四传输滚轮、第五传输滚轮和第二同步带;所述第一传输滚轮设置在第二转轴上;所述第一传输滚轮通过传送带与第二传输滚轮相连,第二传输滚轮设置在第一传输轴上,第一传输轴和第二传输轴相连;所述第三传输滚轮设置在第二传输轴上;所述第三传输滚轮、位于第三传输滚轮上方的第四传输滚轮以及位于第三传输滚轮前端的第五传输滚轮之间通过第二同步带相连,且第二同步带位于第一同步带下方。
4.根据权利要求1所述的毛毯机用同步带控制系统,其特征在于:所述第三同步带机构包括第一驱动滚轮、第二驱动滚轮、第三驱动滚轮、第四驱动滚轮和第三同步带;所述第一驱动滚轮与第三转轴相连;所述第一驱动滚轮前端设有第二驱动滚轮,第二驱动滚轮下方设有第三驱动滚轮;所述第三驱动滚轮的右侧设有多个第四驱动滚轮,上述第一驱动滚轮、第二驱动滚轮、第三驱动滚轮和第四驱动滚轮通过第三同步带相连。
5.根据权利要求1所述的毛毯机用同步带控制系统,其特征在于:所述第四同步带机构包括第一输送滚轮、第二输送滚轮和第四同步带;所述第一输送滚轮与第四转轴相连;所述第一输送滚轮一侧设有交错分布的多个第二输送滚轮;所述第一输送滚轮和多个第二传输滚轮之间通过第四同步带相连,且第四同步带位于第三同步带上方。
6.根据权利要求1所述的毛毯机用同步带控制系统,其特征在于:所述传动组件包括相互啮合的第一齿轮和第二齿轮。
7.根据权利要求1所述的毛毯机用同步带控制系统,其特征在于:所述第一传输轴和第二传输轴通过三角带相连。
8.根据权利要求1所述的毛毯机用同步带控制系统,其特征在于:所述第一同步带还与位于机架上的纠偏滚轮相连;所述纠偏滚轮与第一纠偏同步轮同轴设置;所述第一纠偏同步轮与位于其前端的多个交错分布的第二纠偏同步轮通过纠偏同步带相连。
种毛毯机用同步带控制系统
技术领域
本发明涉及一种同步带控制系统,尤其涉及一种毛毯机用同步带控制系统。
背景技术
毛毯机是一种用于自动生产毛毯的一种设备,在整个毛毯机的生产加工中,需要用到多个同步带对布料进行传输和一些纠偏等操作,现有的毛毯机加工设备中,大多为一个电机对应一个同步带来实现同步带传输布料的功能,但是在实际的安装使用后发现,电机的数量多,这样提高了生产成本,同时传输效率低下,并且还提高了整个设备的重量,不便于进行运输等,给实际的使用带来了诸多不便。
发明内容
本发明目的是为了克服现有技术的不足而提供一种结构紧凑,通过一个主电机就能实现对多个同步带进行传输的毛毯机用同步带控制系统。
为达到上述目的,本发明采用的技术方案是:一种毛毯机用同步带控制系统,包括:机架、主电机、传送带、第一滚轮、第一同步带机构、第一转轴、传动组件、第二转轴、第二同步带机构、第三转轴、皮带、第三同步带机构、第四转轴、第四同步带机构;所述机架的上部设有主电机;所述主电机通过传送带与第一滚轮相连,第一滚轮可转动设置在第一转轴上;所述第一转轴的另一端设有第一同步带机构;所述第一转轴通过传动组件与第二转轴相连;所述第二转轴上设有位于第一同步带机构下方的第二同步带机构;所述第二转轴与第三转轴通过皮带相连;所述第三转轴上设有第三同步带机构;所述第三转轴通过传动组件与第四转轴相连;所述第四转轴上设有位于第三同步带机构上方的第四同步带机构。
优选的,所述第一同步带机构包括第一传动滚轮、第二传动滚轮、第三传动滚轮、第四传动滚轮、第五传动滚轮、传动同步带、第一同步带和第六传动滚轮;所述第一传动滚轮设置在第一转轴上;所述第一传动滚轮的上方设有第二传动滚轮;所述第二传动滚轮的两侧分别设有第三传动滚轮和第四传动滚轮,上述第一传动滚轮、第二传动滚轮、第四传动滚轮和第三传动滚轮依次通过传动同步带相连;所述第四传动滚轮和第五传动滚轮同轴设置;所述第五传动滚轮通过第一同步带与位于机架前端的第六传动滚轮相连。
优选的,所述第二同步带机构包括第一传输滚轮、传送带、第二传输滚轮、第一传输轴、第二传输轴、第三传输滚轮、第四传输滚轮、第五传输滚轮和第二同步带;所述第一传输滚轮设置在第二转轴上;所述第一传输滚轮通过传送带与第二传输滚轮相连,第二传输滚轮设置在第一传输轴上,第一传输轴和第二传输轴相连;所述第三传输滚轮设置在第二传输轴上;所述第三传输滚轮、位于第三传输滚轮上方的第四传输滚轮以及位于第三传输滚轮前端的第五传输滚轮之间通过第二同步带相连,且第二同步带位于第一同步带下方。
优选的,所述第三同步带机构包括第一驱动滚轮、第二驱动滚轮、第三驱动滚轮、第四驱动滚轮和第三同步带;所述第一驱动滚轮与第三转轴相连;所述第一驱动滚轮前端设有第二驱动滚轮,第二驱动滚轮下方设有第三驱动滚轮;所述第三驱动滚轮的右侧设有多个第四驱动滚轮,上述第一驱动滚轮、第二驱动滚轮、第三驱动滚轮和第四驱动滚轮通过第三同步带相连。
优选的,所述第四同步带机构包括第一输送滚轮、第二输送滚轮和第四同步带;所述第一输送滚轮与第四转轴相连;所述第一输送滚轮一侧设有交错分布的多个第二输送滚轮;所述第一输送滚轮和多个第二传输滚轮之间通过第四同步带相连,且第四同步带位于第三同步带上方。
优选的,所述传动组件包括相互啮合的第一齿轮和第二齿轮。
优选的,所述第一传输轴和第二传输轴通过三角带相连。
优选的,所述第一同步带还与位于机架上的纠偏滚轮相连;所述纠偏滚轮与第一纠偏同步轮同轴设置;所述第一纠偏同步轮与位于其前端的多个交错分布的第二纠偏同步轮通过纠偏同步带相连。
由于上述技术方案的运用,本发明与现有技术相比具有下列优点:
本发明方案的毛毯机用同步带控制系统,通过一个主电机带动了第一同步带、第二同步带、第三同步带、第四同步带和纠偏同步带进行传送,这样不仅减少了电机的数量,降低了生产成本,同时降低了设备的重量,使得整个设备结构紧凑,传动效率高,具有较好的实用价值。
附图说明
下面结合附图对本发明技术方案作进一步说明:

附图1为本发明的立体结构示意图;

附图2为附图1中的A的局部放大图;

附图3为附图1中B的局部放大图;

附图4为附图1中C的局部放大图;

附图5为本发明的主视图;

附图6为附图5中的局部放大图;

附图7为本发明的另一视角的立体结构示意图;

附图8为附图7中G的局部放大图;

附图9为本发明的另一视角的立体结构示意图;

附图10为附图9中D的局部放大图;

附图11为附图9中E的局部放大图;

附图12为附图9中F的局部放大图;

附图13为本发明的另一视角的立体结构示意图;

附图14为附图13中H的局部放大图;

附图15为附图13中I的局部放大图;
其中:1、机架;2、主电机;3、传送带;4、第一滚轮;5、第一转轴;6、第二转轴;7、第三转轴;8、第四转轴;20、第一传动滚轮;21、第二传动滚轮;22、第三传动滚轮;23、第四传动滚轮;24、第五传动滚轮;25、传动同步带;26、第一同步带;27、第六传动滚轮;30、第一传输滚轮;31、第二传输滚轮;32、第一传输轴;33、第二传输轴;34、第三传输滚轮;35、第四传输滚轮;36、第五传输滚轮;37、第二同步带;40、第一驱动滚轮;41、第二驱动滚轮;42、第三驱动滚轮;43、第四驱动滚轮;44、第三同步带;50、第一输送滚轮;51、第二输送滚轮;52、第四同步带;60、纠偏滚轮;61、第一纠偏同步轮;62、第二纠偏同步轮。
具体实施方式
下面结合附图及具体实施例对本发明作进一步的详细说明。
如附图1-15所示的本发明所述的一种毛毯机用同步带控制系统,包括:机架1、主电机2、传送带3、第一滚轮4、第一同步带机构、第一转轴5、传动组件、第二转轴6、第二同步带机构、第三转轴7、皮带(图中未示出)、第三同步带机构、第四转轴8、第四同步带机构;所述机架1的上部设有主电机2;所述主电机2通过传送带3与第一滚轮4相连,第一滚轮4可转动设置在第一转轴5上;所述第一转轴5的另一端设有第一同步带机构;所述第一转轴5通过传动组件与第二转轴6相连;所述第二转轴6上设有位于第一同步带机构下方的第二同步带机构;所述第二转轴6与第三转轴7通过皮带相连;所述第三转轴7上设有第三同步带机构;所述第三转轴7通过传动组件与第四转轴8相连;所述第四转轴8上设有位于第三同步带机构上方的第四同步带机构。
进一步的,所述第一同步带机构包括第一传动滚轮20、第二传动滚轮21、第三传动滚轮22、第四传动滚轮23、第五传动滚轮24、传动同步带25、第一同步带26和第六传动滚轮27;所述第一传动滚轮20设置在第一转轴5上;所述第一传动滚轮20的上方设有第二传动滚轮21;所述第二传动滚轮21的两侧分别设有第三传动滚轮22和第四传动滚轮23,上述第一传动滚轮20、第二传动滚轮21、第四传动滚轮23和第三传动滚轮22依次通过传动同步带25相连;所述第四传动滚轮23和第五传动滚轮24同轴设置;所述第五传动滚轮24通过第一同步带26与位于机架1前端的第六传动滚轮27相连。
进一步的,所述第二同步带机构包括第一传输滚轮30、传送带3、第二传输滚轮31、第一传输轴32、第二传输轴33、第四传输滚轮34、第五传输滚轮35、第六传输滚轮36和第二同步带37;所述第一传输滚轮30设置在第二转轴6上;所述第一传输滚轮30通过传送带3与第二传输滚轮31相连,第二传输滚轮31设置在第一传输轴32上,第一传输轴32和第二传输轴33相连;所述第四传输滚轮34设置在第二传输轴33上;所述第四传输滚轮34、位于第四传输滚轮34上方的第五传输滚轮35以及位于第四传输滚轮34前端的第六传输滚轮36之间通过第二同步带37相连,且第二同步带37位于第一同步带26下方。
进一步的,所述第三同步带机构包括第一驱动滚轮40、第二驱动滚轮41、第三驱动滚轮42、第四驱动滚轮43和第三同步带44;所述第一驱动滚轮40与第三转轴7相连;所述第一驱动滚轮40前端设有第二驱动滚轮41,第二驱动滚轮41下方设有第三驱动滚轮42;所述第三驱动滚轮42的右侧设有多个第四驱动滚轮43,上述第一驱动滚轮40、第二驱动滚轮41、第三驱动滚轮42和第四驱动滚轮43通过第三同步带44相连。
进一步的,所述第四同步带机构包括第一输送滚轮50、第二输送滚轮51和第四同步带52;所述第一输送滚轮50与第四转轴8相连;所述第一输送滚轮50一侧设有交错分布的多个第二输送滚轮51;所述第一输送滚轮50和多个第二传输滚轮51之间通过第四同步带52相连,且第四同步带52位于第三同步带43上方。
进一步的,所述第一同步带26还与位于机架1上的纠偏滚轮60相连;所述纠偏滚轮60与第一纠偏同步轮61同轴设置;所述第一纠偏同步轮61与位于其前端的多个交错分布的第二纠偏同步轮62通过纠偏同步带(图中未示出)相连。
其中,所述传动组件包括相互啮合的第一齿轮和第二齿轮,两个齿轮之间的传动保证了第一转轴和第二转轴之间的相互传动,第三转轴和第四转轴之间的相互传动;所述第一传输轴和第二传输轴通过三角带相连。
具体工作时,首先主电机2开始工作,主电机2通过传送带3带动第一滚轮4转动,第一滚轮4通过第一转轴5带动第一传动滚轮20转动,第一传动滚轮20通过传动同步带25依次带动第二传动滚轮21、第四传动滚轮23和第三传动滚轮22转动;第四传动滚轮23转动进而带动第五传动滚轮24转动;第五传动滚轮24和第六传动滚轮27通过第一同步带26相连,进而可以驱动第一同步带26传送。
同时,第一转轴5通过传动组件带动第二转轴6转动,第二转轴6转动带动了第一传输滚轮30转动,第一传输滚轮30通过传送3带驱动第二传输滚轮31转动,第二传输滚轮31带动第一传输轴32转动,第一传输轴32带动第二传输轴33转动,第二传输轴33带动第三传输滚轮34转动,第三传输滚轮34、第四传输滚轮35、第五传输滚轮36之间通过第二同步带37相连,进而可以驱动第二同步带37传送。
第二转轴6与第三转轴7通过皮带相连;第二转轴6转动时,第三转轴7也转动,第三转轴7转动就驱动第一驱动滚轮40转动,第一驱动滚轮40、第二驱动滚轮41、第三驱动滚轮42以及第四驱动滚轮43之间通过第三同步带44相连,这样就驱动第三同步带44开始传送。
第三转轴7带动第四转轴8转动,第四转轴8上的第一输送滚轮50开始转动,第一输送滚轮50、第二输送滚轮51通过第四同步52带相连,进而驱动第四同步带52传送。
所述第一同步带26还与位于机架上的纠偏滚轮60相连,上述纠偏滚轮60第一同步带7可转动相连;所述纠偏滚轮60与第一纠偏同步轮61同轴设置;所述第一纠偏同步轮61与位于其前端的第二纠偏同步轮62通过纠偏同步带(图中未示出)相连。这样当第一同步带26开始传送时,第一同步带26驱动纠偏滚轮60进行转动,纠偏滚轮60带动了第一纠偏同步轮61进行转动,第一纠偏同步轮61和第二纠偏同步轮62之间通过纠偏同步带相连,这样纠偏同步带也能同步进行转动。
本发明的毛毯机用同步带控制系统,通过一个主电机带动了第一同步带、第二同步带、第三同步带、第四同步带和纠偏同步带进行传送,这样不仅减少了电机的数量,降低了生产成本,同时降低了设备的重量,使得整个设备结构紧凑,传动效率高,具有较好的实用价值。
以上仅是本发明的具体应用范例,对本发明的保护范围不构成任何限制。凡采用等同变换或者等效替换而形成的技术方案,均落在本发明权利保护范围之内。
相关连接:同步带设计 圆弧齿同步带设计计算
