同步带轮
查表及定制带轮须知:【本公司带轮不备现货,全部根据客户要求定制】
1、本公司生产的带轮既为国产化设备的同步带配套,又能代替进口带轮使用。
2、用户定制同步带轮,请提供带轮图纸(图在可不必绘制带轮的齿型尺寸),本公司也可按用户提供的型号,带轮内孔,键槽宽度等尺寸为用户绘制带轮图纸;也可为用户提供测绘带轮等服务。
3、带轮的外径公差、端面跳动量、径向跳动量符合表1、表2、表3规定。
4、各种规格型号的同步带选用带轮齿面宽度须符合表4规定要求。
5、带轮外径、档边尺寸按附表规定选用。
6、附表中没有列出的带轮规格,本公司也可生产。
7、制造带轮用材质以碳素钢为主,如需要也可用铝合金、尼龙等材料加工;带轮外径大与250mm,采用铸铁。
详细选型参数及尺寸参数
| 同步带轮节距公差 | T型同步带轮齿型尺寸 |
| 同步带轮外径公差(表1) | 同步带轮径向允许跳动量(表3) |
| 同步带轮端面允许跳动量公差(表2) | 各种型号同步带轮齿面宽度尺寸(表4) |
| 同步带轮直边齿形尺寸和公差 | 带轮的挡圈尺寸及设置 |
| 圆弧同步带齿轮型尺寸 |
| 代号 | 材料 | 表面处理 |
| GLA | 铝合金 | 本色阳极氧化 |
| GLH | — | |
| GSY | S45C | 发黑处理 |
| GSD | 镀锌处理 | |
| GSM | — |
二、同步带轮形状汇总
三、轴孔规格
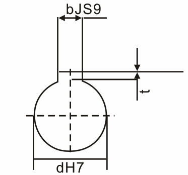
四、键槽尺寸表: GB1096
|
公称 型号 |
dH7 | bJS9 | t公差 | 公称型号 | dH7 | bJS9 | t公差 |
公称 型号 |
dH7 | bJS9 | t公差 | |||||||||
| N8 | 8 |
﹢0.015 0 |
3 | ±0.0125 | 1.4 |
﹢0.1 0 |
N23 | 23 |
+0.021 0 |
8 | ±0.018 | 3.3 |
+0.2 0 |
N37 | 37 |
﹢0.025 0 |
10 | ±0.018 | 3.3 |
+0.2 0 |
| N10 | 10 | N24 | 24 | N38 | 38 | |||||||||||||||
| NK10 | 10 |
﹢0.018 0 |
4 | ±0.015 | 1.8 | N25 | 25 | N39 | 39 | 12 | ±0.0215 | |||||||||
| N11 | 11 | N26 | 26 | N40 | 40 | |||||||||||||||
| N12 | 12 | 2.3 | N27 | 27 | N41 | 41 | ||||||||||||||
| N13 | 13 | N28 | 28 | N42 | 42 | |||||||||||||||
| N14 | 14 | 5 | N29 | 29 | N43 | 43 | ||||||||||||||
| N15 | 15 | N30 | 30 | N44 | 44 | |||||||||||||||
| N16 | 16 | N31 | 31 | N45 | 45 | |||||||||||||||
| N17 | 17 | N32 | 32 | 10 | N46 | 46 | 14 | 3.8 | ||||||||||||
| N18 | 18 | 6 | 2.8 | N33 | 33 |
+0.025 0 |
N47 | 47 | ||||||||||||
| N19 | 19 |
﹢0.021 0 |
N34 | 34 | N48 | 48 | ||||||||||||||
| N20 | 20 | N35 | 35 | N49 | 49 | |||||||||||||||
| N21 | 21 | N36 | 36 | N50 | 50 | |||||||||||||||
| N22 | 22 | |||||||||||||||||||
